Пневматика и
автоматизация

  • Пн - Пт
  • 9:00 - 18:00
  • Фотография может отличаться от реального товара

    DMCS6-4U-SA - Штуцер прямой с нар. резьбой обжимной UNF 7/16"-20-3/8", нерж.

    260736
    Форма фитинга: штуцер прямой с нар. резьбой • Подключение: UNF 7/16″-20-3/8″ • Материал корпуса: сталь нержавеющая AISI 316
    Преимущества
    Бесплатные консультации и техподдержка
    Подбор аналогов из наличия
    Быстрая обработка заявки
    Индивидуальный подход
    Лучшие цены и сроки
    Оплата
    Доставка
    • Все о товаре
    • Описание
    • Характеристики

    Описание DMCS6-4U-SA

    Назначение и принцип работы

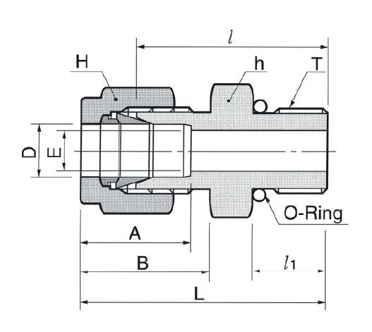
    Обжимной прямой штуцер DMCS6-4U-SA предназначен для герметичного соединения трубок Ø 3/8″ с резьбовыми интерфейсами UNF 7/16″-20 в системах автоматики, КИПиА и гидравлических контуров низкой и средней мощности. Конструкция с двумя обжимными кольцами и гайкой обеспечивает надёжное механическое зажатие трубки; уплотнение резьбы выполняется выступающим O‑ring, что повышает виброустойчивость и предотвращает протечки при промежуточных давлениях. Соединение работает по принципу компрессии трубки между передним и задним кольцами, при затяжке гайки кольца деформируются и формируют металло‑металлическое и эластомерное уплотнение в точке входа 3/8″ трубки и на резьбе UNF 7/16″-20.

    Ключевые особенности конструкции

    Корпус и элементы изготовлены из нержавеющей стали AISI 316, что обеспечивает коррозионную стойкость в агрессивных средах. Тип уплотнения — выступающее O‑ring на резьбе; выбор материала O‑ring (нитрил, FKM/Viton, PTFE) влияет на рабочий температурный диапазон и химическую совместимость. Конструкция двух обжимных колец гарантирует центровку и герметичность на трубках Ø 3/8″. Типичное рабочее давление для подобных обжимных соединений в AISI 316 при комнатной температуре достигает порядка 413 бар (6000 psi) в зависимости от стенки трубки и условий, при повышенных температурах допустимая нагрузка снижается; температурный диапазон зависит от уплотнителей: нитрил ≈ -30…+120 °C, Viton ≈ -20…+200 °C.

    Экспертные рекомендации по применению

    При подборе выбирайте диаметр трубки 3/8″ с рекомендуемой толщиной стенки по справочным таблицам производителя; убедитесь в чистоте торца трубки перед сборкой. Затягивайте гайку моментом, указанным в руководстве DK‑Lok, чтобы избежать перетяжки и деформации уплотнений. Для агрессивных сред предпочитайте AISI 316 и Viton O‑ring; в системах высокого давления проверяйте соответствие трубки допустимому рабочему давлению. Типичные ошибки: использование изношенных обжимных колец повторно, недостаточная подготовка торца трубки, неверный выбор O‑ring по химии/температуре. Рекомендуется провести контроль герметичности после монтажа и повторную проверку после первых суток эксплуатации.

    Автор

    Ответственный редактор / Инженер

    Директор «Би Энд Би Инжиниринг»
    «Описание товара DMCS6-4U-SA - Штуцер прямой с нар. резьбой обжимной UNF 7/16"-20-3/8", нерж. на этой странице составлено на основе нашего 10-летнего опыта работы в сфере пневматического оборудования, запорной арматуры и промышленной автоматизации. Если у вас есть вопросы или комментарии — напишите мне лично».

    Характеристики DMCS6-4U-SA

    Характеристики фитингов
    Форма фитинга
    штуцер прямой с нар. резьбой
    Тип уплотнения резьбового соединения
    • уплотнительное кольцо O-ring выступающее
    Общие характеристики
    Тип конструкции
    обжим трубки с помощью двух обжимных колец и гайки
    Массо-габаритные и монтажные характеристики
    Подключение
    UNF 7/16″-20-3/8″
    Подключение, канал 1
    • UNF 7/16″-20
    Подключение, канал 2
    • 3/8″ (трубка)
    Материалы
    Основной материал
    сталь нержавеющая
    Корпус
    сталь нержавеющая AISI 316
    Идентификационные данные
    Производитель
    DKL
    Артикул
    DMCS6-4U-SA
    Ед. изм.
    шт.
    Наличие в магазинах
    Магазин и адрес
    Режим работы
    Телефон
    Доступность
    Склад Алматы
    г. Алматы, ул. Казыбаева, 3/3, пом. 11
    Пн.-Пт. 10:00-17:00
    +7(776)990-55-56
    Нет в наличии
    Отзывы

    Отзывы не найдены

    Как только цена на товар снизится, вы сразу об этом узнаете
    Следить за снижением цены

    Цена пока не менялась. Как только она изменится, мы покажем график

    Возможно, вас это заинтересует
     
    • Похожие товары
    • Недавно смотрели