Пневматика и
автоматизация

  • Пн - Пт
  • 9:00 - 18:00
  • Фотография может отличаться от реального товара

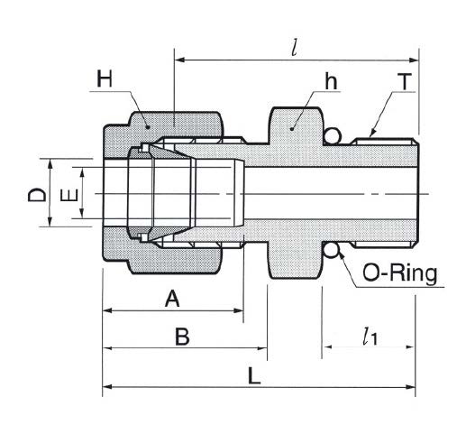
    DMCS6M-6U-SA - Штуцер прямой с нар. резьбой обжимной UNF 9/16"-18-6 мм, нерж.

    260754
    Форма фитинга: штуцер прямой с нар. резьбой • Подключение: UNF 9/16″-18-6 мм • Материал корпуса: сталь нержавеющая AISI 316
    Преимущества
    Бесплатные консультации и техподдержка
    Подбор аналогов из наличия
    Быстрая обработка заявки
    Индивидуальный подход
    Лучшие цены и сроки
    Оплата
    Доставка
    • Все о товаре
    • Описание
    • Характеристики

    Описание DMCS6M-6U-SA

    Назначение и принцип работы

    Обжимной штуцер прямой с наружной резьбой UNF 9/16"-18 — предназначен для присоединения трубки Ø6 мм в системах КИПиА, гидравлики и технологических линейках с рабочими средами газ/жидкость. Конструкция сочетает двухкольцевой обжим (две обжимные втулки и гайка) и выступающее уплотнительное кольцо O-ring на резьбе, что обеспечивает первичное металлическое уплотнение трубки и вторичное резиновое уплотнение по резьбе. При монтаже обжимные кольца формуют герметичный зацеп на трубке Ø6 мм, а O-ring предотвращает протечки в резьбовом соединении; изделие применяют для датчиков, манометров и подключений к коллекторам.

    Ключевые особенности конструкции

    Корпус и элементы — сталь нержавеющая (материал обобщённо: сталь нержавеющая), конкретно AISI 316, устойчивые к коррозии в агрессивных средах. Тип конструкции: обжим трубки с помощью двух обжимных колец и гайки обеспечивает надежность при вибрациях и циклических нагрузках. Тип уплотнения резьбы: выступающее уплотнительное кольцо O-ring — обычно поставляется в FKM (Viton) или NBR, температурный диапазон при выборе O-ring ~ -40°C…+200°C (в зависимости от материала). Резьевое подключение: UNF 9/16"-18; трубное подключение: 6 мм. Рабочее давление зависит от системы и толщины трубы, типично до 400 бар при правильном монтаже и использовании рекомендованных труб.

    Экспертные рекомендации по применению

    Перед установкой обеспечить точный обрез и фаску трубки Ø6 мм, удалить задиры; вставить трубку до упора, затянуть гайку до образования уплотнения двух втулок и контроля герметичности; не переусердствовать с моментом, чтобы избежать деформации трубки и O-ring. Выбирать материал O-ring по среде (FKM для температур выше +120°C и агрессивных сред, NBR для минеральных масел). Не использовать повторно деформированные обжимные кольца; при вибрации дополнительно фиксировать линию хомутами. При подаче высокого давления проводить испытание холодным натиском и проверять затяжку по протоколу.

    Автор

    Ответственный редактор / Инженер

    Директор «Би Энд Би Инжиниринг»
    «Описание товара DMCS6M-6U-SA - Штуцер прямой с нар. резьбой обжимной UNF 9/16"-18-6 мм, нерж. на этой странице составлено на основе нашего 10-летнего опыта работы в сфере пневматического оборудования, запорной арматуры и промышленной автоматизации. Если у вас есть вопросы или комментарии — напишите мне лично».

    Характеристики DMCS6M-6U-SA

    Характеристики фитингов
    Форма фитинга
    штуцер прямой с нар. резьбой
    Тип уплотнения резьбового соединения
    • уплотнительное кольцо O-ring выступающее
    Общие характеристики
    Тип конструкции
    обжим трубки с помощью двух обжимных колец и гайки
    Массо-габаритные и монтажные характеристики
    Подключение
    UNF 9/16″-18-6 мм
    Подключение, канал 1
    • UNF 9/16″-18
    Подключение, канал 2
    • 6 мм (трубка)
    Материалы
    Основной материал
    сталь нержавеющая
    Корпус
    сталь нержавеющая AISI 316
    Идентификационные данные
    Производитель
    DKL
    Артикул
    DMCS6M-6U-SA
    Ед. изм.
    шт.
    Наличие в магазинах
    Магазин и адрес
    Режим работы
    Телефон
    Доступность
    Склад Алматы
    г. Алматы, ул. Казыбаева, 3/3, пом. 11
    Пн.-Пт. 10:00-17:00
    +7(776)990-55-56
    Нет в наличии
    Отзывы

    Отзывы не найдены

    Как только цена на товар снизится, вы сразу об этом узнаете
    Следить за снижением цены

    Цена пока не менялась. Как только она изменится, мы покажем график

    Возможно, вас это заинтересует
     
    • Похожие товары
    • Недавно смотрели