Пневматика и
автоматизация

  • Пн - Пт
  • 9:00 - 18:00
  • Фотография может отличаться от реального товара

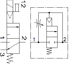
    EAV4000-03F2-WX EMC - Клапан плавного пуска электр. упр., G3/8, 3/2 НЗ, без катушки

    329079
    Функция клапана: 3/2 НЗ с функцией повышения давления • Тип управления: электрический • Напряжение катушки: без катушки • Типоразмер: EA4000 • Подключение: G3/8 • Материал корпуса: алюминий
    Преимущества
    Бесплатные консультации и техподдержка
    Подбор аналогов из наличия
    Быстрая обработка заявки
    Индивидуальный подход
    Лучшие цены и сроки
    Оплата
    Доставка
    • Все о товаре
    • Описание
    • Характеристики
    • Документация

    Описание EAV4000-03F2-WX

    Функция клапана: 3/2 НЗ с функцией повышения давления • Тип управления: электрический • Напряжение катушки: без катушки • Типоразмер: EA4000 • Подключение: G3/8 • Материал корпуса: алюминий

    Автор

    Ответственный редактор / Инженер

    Директор «Би Энд Би Инжиниринг»
    «Описание товара EAV4000-03F2-WX EMC - Клапан плавного пуска электр. упр., G3/8, 3/2 НЗ, без катушки на этой странице составлено на основе нашего 10-летнего опыта работы в сфере пневматического оборудования, запорной арматуры и промышленной автоматизации. Если у вас есть вопросы или комментарии — напишите мне лично».

    Характеристики EAV4000-03F2-WX

    Характеристики клапанов
    Функция клапана
    3/2 НЗ с функцией повышения давления
    Тип управления
    электрический
    Напряжение катушки
    без катушки
    Общие характеристики
    Типоразмер
    EA4000
    Комплектация/опции
    Манометр
    с квадратным манометром
    Кронштейн
    есть
    Массо-габаритные и монтажные характеристики
    Подключение
    G3/8
    Выхлоп/сброс/дренаж (каналы 3/R, 5/S)
    • G1/2
    Монтаж
    • линейный монтаж
    • с креплением на стене/поверхности
    Условия эксплуатации
    Рабочее давление
    • 2 ÷ 10 бар
    Рабочая температура
    • -5 ÷ 60 °C
    Материалы
    Основной материал
    алюминий
    Корпус
    алюминий
    Дополнительные характеристики
    Совместимость
    • EMC EA4000
    Идентификационные данные
    Производитель
    EMC
    Артикул
    EAV4000-03F2-WX
    Ед. изм.
    шт.
    Отзывы

    Отзывы не найдены

    История изменения цен

    Цена пока не менялась. Как только она изменится, мы покажем график

    Возможно, вас это заинтересует
     
    • Похожие товары
    • Недавно смотрели