Пневматика и
автоматизация

  • Пн - Пт
  • 9:00 - 18:00
  • FFIZ/0N-1E Micro Detectors - Оптический датчик световой барьер: приемник, M18, NPN, до 20 м
    152 108
    Фотография может отличаться от реального товара

    FFIZ/0N-1E Micro Detectors - Оптический датчик световой барьер: приемник, M18, NPN, до 20 м

    323840
    Доставка в Алматы Изменить
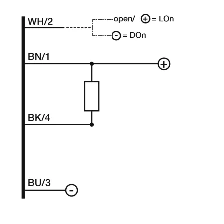
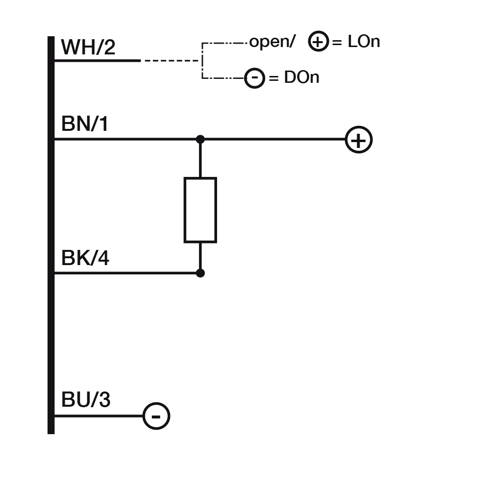
    Дискретный выход: NPN • Диапазон измерения: 20000 мм • Электрическое подключение: разъём M12x1 • Крепежная резьба: M18x1 • Класс защиты: IP68, IP69K • Рабочее напряжение: 12 ÷ 24 V DC • Материал корпуса: сталь нержавеющая
    +
    Отложить
    Преимущества
    Бесплатные консультации и техподдержка
    Подбор аналогов из наличия
    Быстрая обработка заявки
    Индивидуальный подход
    Лучшие цены и сроки
    Оплата
    Доставка
    • Все о товаре
    • Описание
    • Характеристики

    Описание FFIZ/0N-1E

    Дискретный выход: NPN • Диапазон измерения: 20000 мм • Электрическое подключение: разъём M12x1 • Крепежная резьба: M18x1 • Класс защиты: IP68, IP69K • Рабочее напряжение: 12 ÷ 24 V DC • Материал корпуса: сталь нержавеющая

    Автор

    Ответственный редактор / Инженер

    Директор «Би Энд Би Инжиниринг»
    «Описание товара FFIZ/0N-1E Micro Detectors - Оптический датчик световой барьер: приемник, M18, NPN, до 20 м на этой странице составлено на основе нашего 10-летнего опыта работы в сфере пневматического оборудования, запорной арматуры и промышленной автоматизации. Если у вас есть вопросы или комментарии — напишите мне лично».

    Характеристики FFIZ/0N-1E

    Характеристики входов/выходов
    Дискретный выход
    NPN
    Характеристики средств измерений
    Диапазон измерения
    20000 мм
    Верхний предел диапазона дистанции
    20000 мм
    Функция переключения
    • на свет/на затемнение
    Тип датчика
    • датчик типа световой барьер: приемник
    Общие характеристики
    Тип конструкции
    резьбовой
    Тип излучателя
    • инфракрасный
    Массо-габаритные и монтажные характеристики
    Электрическое подключение
    разъём M12x1
    Крепежная резьба
    • M18x1
    Условия эксплуатации
    Рабочая температура
    • -25 ÷ 80 °C
    Класс защиты
    • IP68
    • IP69K
    Макс. частота переключения
    • 250 Гц
    Защита от короткого замыкания
    • да
    Защита от смены полярности
    • да
    Рабочее напряжение
    12 ÷ 24 V DC
    Материалы
    Корпус
    сталь нержавеющая
    Идентификационные данные
    Производитель
    Micro Detectors
    Артикул
    FFIZ/0N-1E
    Ед. изм.
    шт.
    Отзывы

    Отзывы не найдены

    Как только цена на товар снизится, вы сразу об этом узнаете
    Следить за снижением цены

    Цена пока не менялась. Как только она изменится, мы покажем график

    Возможно, вас это заинтересует
     
    • Похожие товары
    • Недавно смотрели