Пневматика и
автоматизация

  • Пн - Пт
  • 9:00 - 18:00
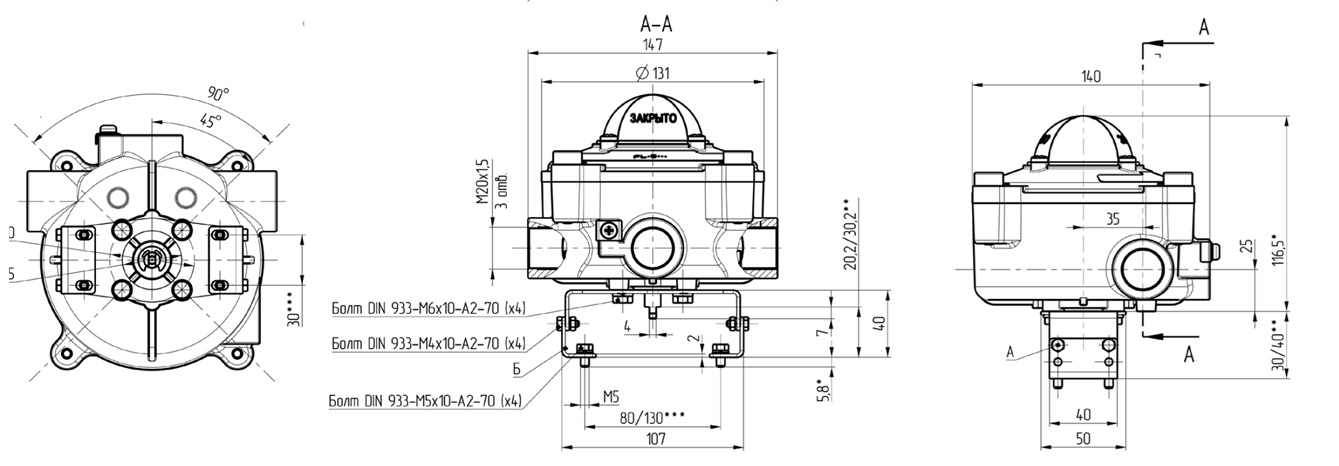
  • FL-510NY3Exd - Блок концевых выключателей (БКВ) взрывозащищённый Ex d, 2xНО/НЗ, -60°C
    164 164
    Фотография может отличаться от реального товара

    FL-510NY3Exd - Блок концевых выключателей (БКВ) взрывозащищённый Ex d, 2xНО/НЗ, -60°C

    277114
    Доставка в Алматы Изменить
    Дискретный выход: НО/НЗ (перекидной), сухой контакт • Принцип измерения: механический • Электрическое подключение: клеммы • Класс защиты: IP67 • Рабочее напряжение: 0 ÷ 250 V AC/DC • Материал корпуса: алюминий
    +
    Отложить
    Преимущества
    Бесплатные консультации и техподдержка
    Подбор аналогов из наличия
    Быстрая обработка заявки
    Индивидуальный подход
    Лучшие цены и сроки
    Оплата
    Доставка
    • Все о товаре
    • Описание
    • Характеристики
    • Документация

    Описание FL-510NY3Exd

    Блоки датчиков FL предназначены для получения электрического сигнала обратной связи и контроля положения запорно-регулирующей арматуры, оснащенной пневматическим неполноповоротным приводом. С помощью монтажных адаптеров данные блоки датчиков быстро и просто устанавливаются на приводы с монтажным интерфейсом VDI/VDE 3845. Надежная конструкция делает серию FL идеальной для тяжелых условий автоматизации технологических процессов.

    Основные особенности:

    • Надежная коррозионностойкая конструкция идеальная для использования в тяжелых условиях при автоматизации технологических процессов
    • Стойкий к атмосферным воздействиям корпус для применения вне помещений
    • Путевые кулачки могут быть настроены без дополнительных инструментов
    • Хорошо видимый объемный индикатор положения позволяет быстро определить текущую позицию вала неполноповоротного привода
    • Механические, индуктивные или магнитные датчики положения для использования в практически любом применении
    • Взрывобезопасные исполнения для использования в потенциально взрывоопасной среде
    • Два варианта кабельного ввода для подвода электрического питание блока датчиков и распределителя

    Автор

    Ответственный редактор / Инженер

    Директор «Би Энд Би Инжиниринг»
    «Описание товара FL-510NY3Exd - Блок концевых выключателей (БКВ) взрывозащищённый Ex d, 2xНО/НЗ, -60°C на этой странице составлено на основе нашего 10-летнего опыта работы в сфере пневматического оборудования, запорной арматуры и промышленной автоматизации. Если у вас есть вопросы или комментарии — напишите мне лично».

    Характеристики FL-510NY3Exd

    Характеристики входов/выходов
    Дискретные выходы, количество
    2
    Дискретный выход
    НО/НЗ (перекидной), сухой контакт
    Характеристики средств измерений
    Принцип измерения
    механический
    Общие характеристики
    Индикатор позиции
    • желтый/красный
    Массо-габаритные и монтажные характеристики
    Резьба кабельного ввода
    • M20x1.5
    Электрическое подключение
    клеммы
    Монтаж
    • на фланце по NAMUR ISO 5211
    Условия эксплуатации
    Макс. коммутируемый ток
    • 16 А (250 V AC) / 0.3 А (250 V DC) / 0.5 А (135 V DC) / 10 А (30 V DC)
    Рабочая температура
    • -60 ÷ 60 °C
    Класс защиты
    • IP67
    Взрывозащита
    • Ex d (взрывонепроницаемая оболочка)
    Маркировка взрывозащиты
    • 1Ex db IIC T6 Gb X
    Рабочее напряжение
    0 ÷ 250 V AC/DC
    Материалы
    Основной материал
    алюминий
    Корпус
    алюминий
    Идентификационные данные
    Производитель
    -
    Артикул
    FL-510NY3Exd
    Ед. изм.
    шт.
    Отзывы

    Отзывы не найдены

    Как только цена на товар снизится, вы сразу об этом узнаете
    Следить за снижением цены

    Цена пока не менялась. Как только она изменится, мы покажем график

    Возможно, вас это заинтересует
     
    • Похожие товары
    • Недавно смотрели