Пневматика и
автоматизация

  • Пн - Пт
  • 9:00 - 18:00
  • FL-516NLBE3Exd - Блок концевых выключателей (БКВ) взрывозащищённый Ex d, 4xНО/НЗ, -40°C
    451 670
    Фотография может отличаться от реального товара

    FL-516NLBE3Exd - Блок концевых выключателей (БКВ) взрывозащищённый Ex d, 4xНО/НЗ, -40°C

    277117
    Доставка в Алматы Изменить
    Дискретный выход: НО/НЗ (перекидной), сухой контакт • Принцип измерения: механический • Электрическое подключение: клеммы • Класс защиты: IP67 • Рабочее напряжение: 0 ÷ 250 V AC/DC • Материал корпуса: алюминий
    +
    Отложить
    Преимущества
    Бесплатные консультации и техподдержка
    Подбор аналогов из наличия
    Быстрая обработка заявки
    Индивидуальный подход
    Лучшие цены и сроки
    Оплата
    Доставка
    • Все о товаре
    • Описание
    • Характеристики
    • Документация

    Описание FL-516NLBE3Exd

    Блоки датчиков FL предназначены для получения электрического сигнала обратной связи и контроля положения запорно-регулирующей арматуры, оснащенной пневматическим неполноповоротным приводом. С помощью монтажных адаптеров данные блоки датчиков быстро и просто устанавливаются на приводы с монтажным интерфейсом VDI/VDE 3845. Надежная конструкция делает серию FL идеальной для тяжелых условий автоматизации технологических процессов.

    Основные особенности:

    • Надежная коррозионностойкая конструкция идеальная для использования в тяжелых условиях при автоматизации технологических процессов
    • Стойкий к атмосферным воздействиям корпус для применения вне помещений
    • Путевые кулачки могут быть настроены без дополнительных инструментов
    • Хорошо видимый объемный индикатор положения позволяет быстро определить текущую позицию вала неполноповоротного привода
    • Механические, индуктивные или магнитные датчики положения для использования в практически любом применении
    • Взрывобезопасные исполнения для использования в потенциально взрывоопасной среде
    • Два варианта кабельного ввода для подвода электрического питание блока датчиков и распределителя

    Автор

    Ответственный редактор / Инженер

    Директор «Би Энд Би Инжиниринг»
    «Описание товара FL-516NLBE3Exd - Блок концевых выключателей (БКВ) взрывозащищённый Ex d, 4xНО/НЗ, -40°C на этой странице составлено на основе нашего 10-летнего опыта работы в сфере пневматического оборудования, запорной арматуры и промышленной автоматизации. Если у вас есть вопросы или комментарии — напишите мне лично».

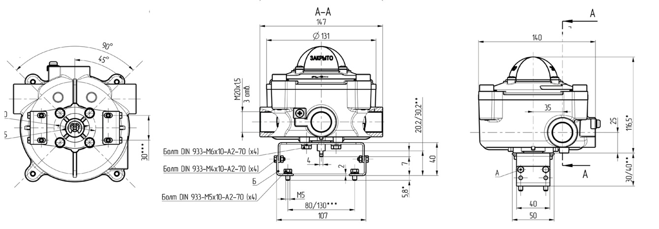
    Характеристики FL-516NLBE3Exd

    Характеристики входов/выходов
    Дискретные выходы, количество
    4
    Дискретный выход
    НО/НЗ (перекидной), сухой контакт
    Характеристики средств измерений
    Принцип измерения
    механический
    Общие характеристики
    Индикатор позиции
    • желтый/красный
    Массо-габаритные и монтажные характеристики
    Резьба кабельного ввода
    • M20x1.5
    Электрическое подключение
    клеммы
    Монтаж
    • на фланце по NAMUR ISO 5211
    Условия эксплуатации
    Макс. коммутируемый ток
    • 16 А (250 V AC) / 0.3 А (250 V DC) / 0.5 А (135 V DC) / 10 А (30 V DC)
    Рабочая температура
    • -40 ÷ 60 °C
    Класс защиты
    • IP67
    Взрывозащита
    • Ex d (взрывонепроницаемая оболочка)
    Маркировка взрывозащиты
    • 1Ex db IIC T6 Gb X
    Рабочее напряжение
    0 ÷ 250 V AC/DC
    Материалы
    Основной материал
    алюминий
    Корпус
    алюминий
    Идентификационные данные
    Производитель
    -
    Артикул
    FL-516NLBE3Exd
    Ед. изм.
    шт.
    Отзывы

    Отзывы не найдены

    История изменения цен

    Цена пока не менялась. Как только она изменится, мы покажем график

    Возможно, вас это заинтересует
     
    • Похожие товары
    • Недавно смотрели