Пневматика и
автоматизация

  • Пн - Пт
  • 9:00 - 18:00
  • VAK-1/4 6890 FESTO - Вакуумный эжектор, сопло 1 мм, высокий вакуум, G1/4
    282 223
    Фотография может отличаться от реального товара

    VAK-1/4 6890 FESTO - Вакуумный эжектор, сопло 1 мм, высокий вакуум, G1/4

    19561
    Доставка в Алматы Изменить
    Макс. вакуум: -0.8бар • Подключение: G1/4 • Материал корпуса: алюминий
    +
    Отложить
    Преимущества
    Бесплатные консультации и техподдержка
    Подбор аналогов из наличия
    Быстрая обработка заявки
    Индивидуальный подход
    Лучшие цены и сроки
    Оплата
    Доставка
    • Все о товаре
    • Описание
    • Характеристики
    • Документация

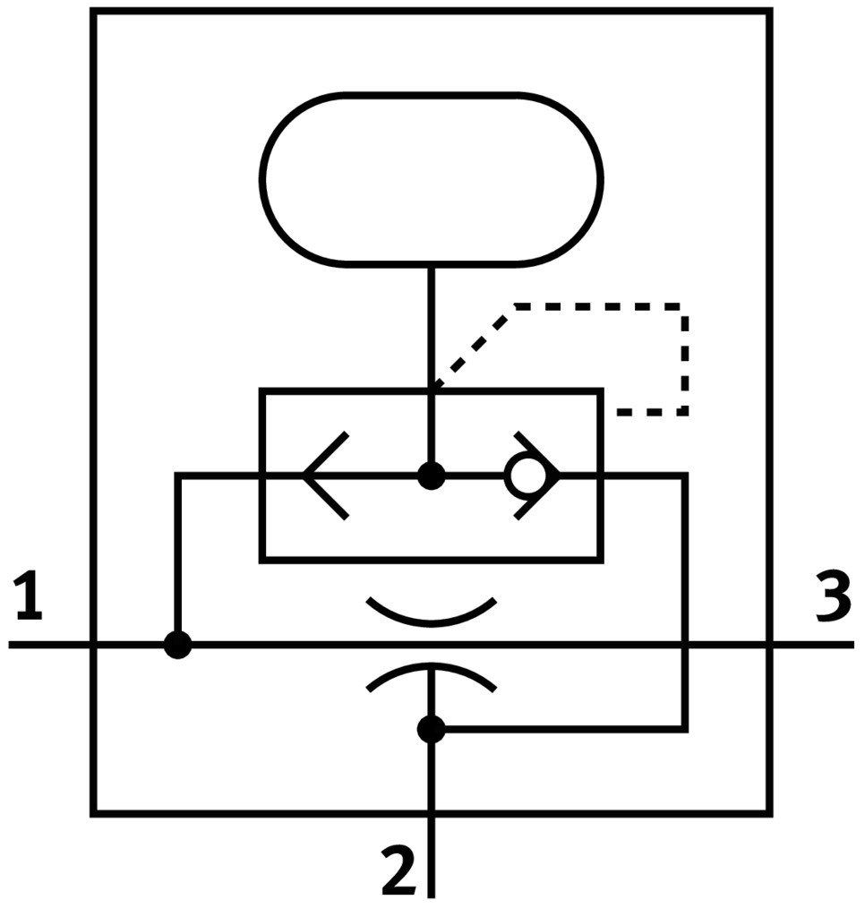
    Описание VAK-1/4 6890

    Макс. вакуум: -0.8бар • Подключение: G1/4 • Материал корпуса: алюминий

    Автор

    Ответственный редактор / Инженер

    Директор «Би Энд Би Инжиниринг»
    «Описание товара VAK-1/4 6890 FESTO - Вакуумный эжектор, сопло 1 мм, высокий вакуум, G1/4 на этой странице составлено на основе нашего 10-летнего опыта работы в сфере пневматического оборудования, запорной арматуры и промышленной автоматизации. Если у вас есть вопросы или комментарии — напишите мне лично».

    Характеристики VAK-1/4 6890

    Характеристики вакуумной техники
    Макс. вакуум
    • -0.8 бар
    Диаметр сопла Лаваля
    1 мм
    Характеристика эжектора
    • высокий вакуум
    Общие характеристики
    Тип конструкции
    Т-образный
    Комплектация/опции
    Клапан сброса
    есть, пневматический
    Массо-габаритные и монтажные характеристики
    Подключение
    G1/4
    Монтаж
    • сквозное отверстие
    Условия эксплуатации
    Рабочая среда
    • сжатый воздух в соответствии с ISO 8573-1:2010 [7:4:4]
    Примечание по рабочей среде
    • возможна работа со смазкой (впоследствии требуется постоянная смазка)
    Рабочее давление
    • 1.5 ÷ 10 бар
    Рабочая температура
    • -20 ÷ 80 °C
    Монтажное положение
    • любое
    Материалы
    Основной материал
    алюминий
    Корпус
    алюминий
    Замечания по материалу
    • не содержит медь и тефлон
    Идентификационные данные
    Производитель
    FESTO
    Артикул
    6890
    Маркировка
    VAK-1/4
    GTIN
    4052568001452
    Ед. изм.
    шт.
    Наличие в магазинах
    Магазин и адрес
    Режим работы
    Телефон
    Доступность
    Склад Алматы
    г. Алматы, ул. Казыбаева, 3/3, пом. 11
    Пн.-Пт. 10:00-17:00
    +7(776)990-55-56
    Нет в наличии
    Отзывы

    Отзывы не найдены

    Как только цена на товар снизится, вы сразу об этом узнаете
    Следить за снижением цены

    Цена пока не менялась. Как только она изменится, мы покажем график

    Возможно, вас это заинтересует
     
    • Похожие товары
    • Недавно смотрели