Пневматика и
автоматизация

  • Пн - Пт
  • 9:00 - 18:00
  • I18A001 Wenglor - Индуктивный датчик, M18x1, заподлицо, НО/НЗ, PNP, дист. 8 мм, разъём M12x1 4-пин
    137 672
    Фотография может отличаться от реального товара

    I18A001 Wenglor - Индуктивный датчик, M18x1, заподлицо, НО/НЗ, PNP, дист. 8 мм, разъём M12x1 4-пин

    282435
    Доставка в Алматы Изменить
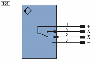
    Дискретный выход: НО/НЗ (перекидной), PNP • Тип установки: заподлицо • Номинальная дистанция переключения: 8мм • Электрическое подключение: разъём M12x1 4-пин • Крепежная резьба: M18x1 • Класс защиты: IP67 • Рабочее напряжение: 12 ÷ 24 V DC • Материал корпуса: цинк
    +
    Отложить
    Преимущества
    Бесплатные консультации и техподдержка
    Подбор аналогов из наличия
    Быстрая обработка заявки
    Индивидуальный подход
    Лучшие цены и сроки
    Оплата
    Доставка
    • Все о товаре
    • Описание
    • Характеристики
    • Документация

    Описание I18A001

    Дискретный выход: НО/НЗ (перекидной), PNP • Тип установки: заподлицо • Номинальная дистанция переключения: 8мм • Электрическое подключение: разъём M12x1 4-пин • Крепежная резьба: M18x1 • Класс защиты: IP67 • Рабочее напряжение: 12 ÷ 24 V DC • Материал корпуса: цинк

    Автор

    Ответственный редактор / Инженер

    Директор «Би Энд Би Инжиниринг»
    «Описание товара I18A001 Wenglor - Индуктивный датчик, M18x1, заподлицо, НО/НЗ, PNP, дист. 8 мм, разъём M12x1 4-пин на этой странице составлено на основе нашего 10-летнего опыта работы в сфере пневматического оборудования, запорной арматуры и промышленной автоматизации. Если у вас есть вопросы или комментарии — напишите мне лично».

    Характеристики I18A001

    Характеристики входов/выходов
    Дискретный выход
    НО/НЗ (перекидной), PNP
    Характеристики средств измерений
    Тип установки
    • заподлицо
    Номинальная дистанция переключения
    8 мм
    Общие характеристики
    Тип конструкции
    резьбовой
    Применение
    • для сварочных работ
    Массо-габаритные и монтажные характеристики
    Электрическое подключение
    разъём M12x1 4-пин
    Крепежная резьба
    • M18x1
    Условия эксплуатации
    Рабочая температура
    • -40 ÷ 80 °C
    Класс защиты
    • IP67
    Макс. частота переключения
    • 3500 Гц
    Защита от короткого замыкания
    • да
    Защита от смены полярности
    • да
    Рабочее напряжение
    12 ÷ 24 V DC
    Материалы
    Корпус
    цинк
    Идентификационные данные
    Производитель
    Wenglor
    Артикул
    I18A001
    Ед. изм.
    шт.
    Отзывы

    Отзывы не найдены

    Как только цена на товар снизится, вы сразу об этом узнаете
    Следить за снижением цены

    Цена пока не менялась. Как только она изменится, мы покажем график

    Возможно, вас это заинтересует
     
    • Похожие товары
    • Недавно смотрели