Пневматика и
автоматизация

  • Пн - Пт
  • 9:00 - 18:00
  • Фотография может отличаться от реального товара

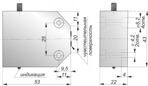
    И47-NO/NC-PNP СКБ Индукция - Индуктивный датчик, 53x43x22 мм, заподлицо, НО/НЗ, PNP, дист. 5 мм, кабель

    305592
    Дискретный выход: НО/НЗ (перекидной), PNP • Тип установки: заподлицо • Номинальная дистанция переключения: 5мм • Электрическое подключение: кабель • Длина кабеля: 1.5м • Рабочее напряжение: 12 ÷ 24 V DC • Материал корпуса: пластик
    Преимущества
    Бесплатные консультации и техподдержка
    Подбор аналогов из наличия
    Быстрая обработка заявки
    Индивидуальный подход
    Лучшие цены и сроки
    Оплата
    Доставка
    • Все о товаре
    • Описание
    • Характеристики
    • Документация

    Описание И47-NO/NC-PNP

    Дискретный выход: НО/НЗ (перекидной), PNP • Тип установки: заподлицо • Номинальная дистанция переключения: 5мм • Электрическое подключение: кабель • Длина кабеля: 1.5м • Рабочее напряжение: 12 ÷ 24 V DC • Материал корпуса: пластик

    Автор

    Ответственный редактор / Инженер

    Директор «Би Энд Би Инжиниринг»
    «Описание товара И47-NO/NC-PNP СКБ Индукция - Индуктивный датчик, 53x43x22 мм, заподлицо, НО/НЗ, PNP, дист. 5 мм, кабель на этой странице составлено на основе нашего 10-летнего опыта работы в сфере пневматического оборудования, запорной арматуры и промышленной автоматизации. Если у вас есть вопросы или комментарии — напишите мне лично».

    Характеристики И47-NO/NC-PNP

    Характеристики входов/выходов
    Дискретный выход
    НО/НЗ (перекидной), PNP
    Характеристики средств измерений
    Тип установки
    • заподлицо
    Номинальная дистанция переключения
    5 мм
    Общие характеристики
    Тип конструкции
    прямоугольный
    Массо-габаритные и монтажные характеристики
    Электрическое подключение
    кабель
    Длина кабеля
    1.5 м
    Размеры
    • 53x43x22 мм
    Условия эксплуатации
    Рабочая температура
    • -25 ÷ 75 °C
    Макс. частота переключения
    • 600 Гц
    Защита от смены полярности
    • да
    Рабочее напряжение
    12 ÷ 24 V DC
    Материалы
    Основной материал
    пластик
    Корпус
    пластик
    Идентификационные данные
    Производитель
    СКБ Индукция
    Артикул
    И47-NO/NC-PNP
    Ед. изм.
    шт.
    Отзывы

    Отзывы не найдены

    Как только цена на товар снизится, вы сразу об этом узнаете
    Следить за снижением цены

    Цена пока не менялась. Как только она изменится, мы покажем график

    Возможно, вас это заинтересует
     
    • Похожие товары
    • Недавно смотрели