Пневматика и
автоматизация

  • Пн - Пт
  • 9:00 - 18:00
  • Фотография может отличаться от реального товара

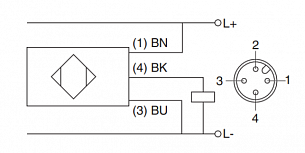
    IGVU 02 GSP-C EGE-Elektronik - Индуктивный датчик, M12x1, НО, PNP, дист. 2 мм, разъём M12x1, кабель 3-проводный

    297090
    Дискретный выход: НО, PNP • Номинальная дистанция переключения: 2мм • Электрическое подключение: разъём M12x1, кабель • Крепежная резьба: M12x1 • Класс защиты: IP68, IP69 • Рабочее напряжение: 12 ÷ 24 V DC • Материал корпуса: сталь нержавеющая
    Преимущества
    Бесплатные консультации и техподдержка
    Подбор аналогов из наличия
    Быстрая обработка заявки
    Индивидуальный подход
    Лучшие цены и сроки
    Оплата
    Доставка
    • Все о товаре
    • Описание
    • Характеристики
    • Документация

    Описание IGVU 02 GSP-C

    Дискретный выход: НО, PNP • Номинальная дистанция переключения: 2мм • Электрическое подключение: разъём M12x1, кабель • Крепежная резьба: M12x1 • Класс защиты: IP68, IP69 • Рабочее напряжение: 12 ÷ 24 V DC • Материал корпуса: сталь нержавеющая

    Автор

    Ответственный редактор / Инженер

    Директор «Би Энд Би Инжиниринг»
    «Описание товара IGVU 02 GSP-C EGE-Elektronik - Индуктивный датчик, M12x1, НО, PNP, дист. 2 мм, разъём M12x1, кабель 3-проводный на этой странице составлено на основе нашего 10-летнего опыта работы в сфере пневматического оборудования, запорной арматуры и промышленной автоматизации. Если у вас есть вопросы или комментарии — напишите мне лично».

    Характеристики IGVU 02 GSP-C

    Характеристики входов/выходов
    Дискретный выход
    НО, PNP
    Характеристики средств измерений
    Номинальная дистанция переключения
    2 мм
    Общие характеристики
    Тип конструкции
    резьбовой
    Особенности
    • Цельнометаллический ударопрочный корпус
    Индикация состояния
    • светодиод
    Массо-габаритные и монтажные характеристики
    Электрическое подключение
    разъём M12x1, кабель
    Количество проводов в кабеле
    • 3
    Крепежная резьба
    • M12x1
    Условия эксплуатации
    Рабочая температура
    • -25 ÷ 80 °C
    Класс защиты
    • IP68
    • IP69
    Макс. частота переключения
    • 180 Гц
    Защита от короткого замыкания
    • да
    Защита от смены полярности
    • да
    Рабочее напряжение
    12 ÷ 24 V DC
    Материалы
    Основной материал
    сталь нержавеющая
    Корпус
    сталь нержавеющая
    Идентификационные данные
    Производитель
    EGE-Elektronik
    Артикул
    IGVU 02 GSP-C
    Ед. изм.
    шт.
    Отзывы

    Отзывы не найдены

    Как только цена на товар снизится, вы сразу об этом узнаете
    Следить за снижением цены

    Цена пока не менялась. Как только она изменится, мы покажем график

    Возможно, вас это заинтересует
     
    • Похожие товары
    • Недавно смотрели