Пневматика и
автоматизация

  • Пн - Пт
  • 9:00 - 18:00
  • Фотография может отличаться от реального товара

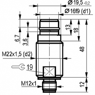
    ISB WC62A8-31P-3-S4-35 ТЕКО - Индуктивный датчик, M22x1.5, заподлицо, НО, PNP, дист. 3 мм, разъём, кабель

    302136
    Дискретный выход: НО, PNP • Тип установки: заподлицо • Номинальная дистанция переключения: 3мм • Электрическое подключение: разъём, кабель • Крепежная резьба: M22x1.5 • Класс защиты: IP68 • Рабочее напряжение: 12 ÷ 24 V DC • Материал корпуса: алюминий
    Преимущества
    Бесплатные консультации и техподдержка
    Подбор аналогов из наличия
    Быстрая обработка заявки
    Индивидуальный подход
    Лучшие цены и сроки
    Оплата
    Доставка
    • Все о товаре
    • Описание
    • Характеристики

    Описание ISB WC62A8-31P-3-S4-35

    Дискретный выход: НО, PNP • Тип установки: заподлицо • Номинальная дистанция переключения: 3мм • Электрическое подключение: разъём, кабель • Крепежная резьба: M22x1.5 • Класс защиты: IP68 • Рабочее напряжение: 12 ÷ 24 V DC • Материал корпуса: алюминий

    Автор

    Ответственный редактор / Инженер

    Директор «Би Энд Би Инжиниринг»
    «Описание товара ISB WC62A8-31P-3-S4-35 ТЕКО - Индуктивный датчик, M22x1.5, заподлицо, НО, PNP, дист. 3 мм, разъём, кабель на этой странице составлено на основе нашего 10-летнего опыта работы в сфере пневматического оборудования, запорной арматуры и промышленной автоматизации. Если у вас есть вопросы или комментарии — напишите мне лично».

    Характеристики ISB WC62A8-31P-3-S4-35

    Характеристики входов/выходов
    Дискретный выход
    НО, PNP
    Характеристики средств измерений
    Тип установки
    • заподлицо
    Номинальная дистанция переключения
    3 мм
    Общие характеристики
    Тип конструкции
    резьбовой
    Массо-габаритные и монтажные характеристики
    Электрическое подключение
    разъём, кабель
    Количество проводов в кабеле
    • 3
    Крепежная резьба
    • M22x1.5
    Условия эксплуатации
    Рабочее давление
    • 350 бар
    Рабочая температура
    • -25 ÷ 80 °C
    Класс защиты
    • IP68
    Макс. частота переключения
    • 500 Гц
    Макс. выходной ток
    • 250 мА
    Рабочее напряжение
    12 ÷ 24 V DC
    Материалы
    Основной материал
    алюминий
    Корпус
    алюминий
    Идентификационные данные
    Производитель
    ТЕКО
    Артикул
    ISB WC62A8-31P-3-S4-35
    Ед. изм.
    шт.
    Отзывы

    Отзывы не найдены

    Как только цена на товар снизится, вы сразу об этом узнаете
    Следить за снижением цены

    Цена пока не менялась. Как только она изменится, мы покажем график

    Возможно, вас это заинтересует
     
    • Похожие товары
    • Недавно смотрели