Пневматика и
автоматизация

  • Пн - Пт
  • 9:00 - 18:00
  • Фотография может отличаться от реального товара

    ISN IT125P-43P-20-LZ ТЕКО - Индуктивный датчик, 40x40x120 мм, выступающий, НО/НЗ, PNP, дист. 20 мм

    301729
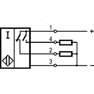
    Дискретный выход: НО/НЗ (перекидной), PNP • Тип установки: выступающий • Номинальная дистанция переключения: 20мм • Класс защиты: IP67 • Рабочее напряжение: 12 ÷ 24 V DC • Материал корпуса: пластик
    Преимущества
    Бесплатные консультации и техподдержка
    Подбор аналогов из наличия
    Быстрая обработка заявки
    Индивидуальный подход
    Лучшие цены и сроки
    Оплата
    Доставка
    • Все о товаре
    • Описание
    • Характеристики
    • Документация

    Описание ISN IT125P-43P-20-LZ

    Дискретный выход: НО/НЗ (перекидной), PNP • Тип установки: выступающий • Номинальная дистанция переключения: 20мм • Класс защиты: IP67 • Рабочее напряжение: 12 ÷ 24 V DC • Материал корпуса: пластик

    Автор

    Ответственный редактор / Инженер

    Директор «Би Энд Би Инжиниринг»
    «Описание товара ISN IT125P-43P-20-LZ ТЕКО - Индуктивный датчик, 40x40x120 мм, выступающий, НО/НЗ, PNP, дист. 20 мм на этой странице составлено на основе нашего 10-летнего опыта работы в сфере пневматического оборудования, запорной арматуры и промышленной автоматизации. Если у вас есть вопросы или комментарии — напишите мне лично».

    Характеристики ISN IT125P-43P-20-LZ

    Характеристики входов/выходов
    Дискретный выход
    НО/НЗ (перекидной), PNP
    Характеристики средств измерений
    Тип установки
    • выступающий
    Номинальная дистанция переключения
    20 мм
    Общие характеристики
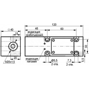
    Тип конструкции
    прямоугольный
    Индикация состояния
    • да
    Массо-габаритные и монтажные характеристики
    Размеры
    • 40x40x120 мм
    Условия эксплуатации
    Рабочая температура
    • -25 ÷ 75 °C
    Класс защиты
    • IP67
    Макс. частота переключения
    • 100 Гц
    Защита от короткого замыкания
    • да
    Защита от смены полярности
    • да
    Макс. выходной ток
    • 400 мА
    Рабочее напряжение
    12 ÷ 24 V DC
    Материалы
    Основной материал
    пластик
    Корпус
    пластик
    Идентификационные данные
    Производитель
    ТЕКО
    Артикул
    ISN IT125P-43P-20-LZ
    Ед. изм.
    шт.
    Отзывы

    Отзывы не найдены

    История изменения цен

    Цена пока не менялась. Как только она изменится, мы покажем график

    Возможно, вас это заинтересует
     
    • Похожие товары
    • Недавно смотрели