Пневматика и
автоматизация

  • Пн - Пт
  • 9:00 - 18:00
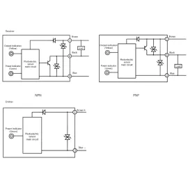
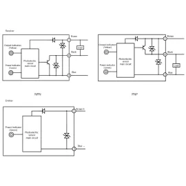
  • Lanbao- страница 76
    Показать еще 24 товара