Пневматика и
автоматизация

  • Пн - Пт
  • 9:00 - 18:00
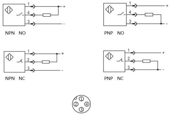
  • LR12XBF02DNOW1-E2 Lanbao - Индуктивный датчик, M12x1, заподлицо, НО, NPN, дистанция 2 мм, разъём M12
    44 577
    Фотография может отличаться от реального товара

    LR12XBF02DNOW1-E2 Lanbao - Индуктивный датчик, M12x1, заподлицо, НО, NPN, дистанция 2 мм, разъём M12

    278796
    Доставка в Алматы Изменить
    Дискретный выход: НО, NPN • Тип установки: заподлицо • Номинальная дистанция переключения: 2мм • Электрическое подключение: разъём M12x1 4-пин • Крепежная резьба: M12x1 • Класс защиты: IP67 • Рабочее напряжение: 10 ÷ 30 V DC • Материал корпуса: латунь никелированная
    +
    Отложить
    Преимущества
    Бесплатные консультации и техподдержка
    Подбор аналогов из наличия
    Быстрая обработка заявки
    Индивидуальный подход
    Лучшие цены и сроки
    Оплата
    Доставка
    • Все о товаре
    • Описание
    • Характеристики
    • Документация

    Описание LR12XBF02DNOW1-E2

    Дискретный выход: НО, NPN • Тип установки: заподлицо • Номинальная дистанция переключения: 2мм • Электрическое подключение: разъём M12x1 4-пин • Крепежная резьба: M12x1 • Класс защиты: IP67 • Рабочее напряжение: 10 ÷ 30 V DC • Материал корпуса: латунь никелированная

    Автор

    Ответственный редактор / Инженер

    Директор «Би Энд Би Инжиниринг»
    «Описание товара LR12XBF02DNOW1-E2 Lanbao - Индуктивный датчик, M12x1, заподлицо, НО, NPN, дистанция 2 мм, разъём M12 на этой странице составлено на основе нашего 10-летнего опыта работы в сфере пневматического оборудования, запорной арматуры и промышленной автоматизации. Если у вас есть вопросы или комментарии — напишите мне лично».

    Характеристики LR12XBF02DNOW1-E2

    Характеристики входов/выходов
    Дискретные выходы, количество
    1
    Дискретный выход
    НО, NPN
    Характеристики средств измерений
    Тип установки
    • заподлицо
    Номинальная дистанция переключения
    2 мм
    Длина корпуса
    • 63 мм
    Общие характеристики
    Тип конструкции
    резьбовой
    Особенности
    • Термостойкий
    Индикация состояния
    • жёлтый светодиод
    Массо-габаритные и монтажные характеристики
    Электрическое подключение
    разъём M12x1 4-пин
    Крепежная резьба
    • M12x1
    Условия эксплуатации
    Рабочая температура
    • -40 ÷ 70 °C
    Класс защиты
    • IP67
    Макс. частота переключения
    • 1500 Гц
    Защита от короткого замыкания
    • да
    Защита от перегрузки
    • да
    Защита от смены полярности
    • да
    Рабочее напряжение
    10 ÷ 30 V DC
    Материалы
    Основной материал
    латунь
    Корпус
    латунь никелированная
    Идентификационные данные
    Производитель
    Lanbao
    Артикул
    LR12XBF02DNOW1-E2
    Ед. изм.
    шт.
    Наличие в магазинах
    Магазин и адрес
    Режим работы
    Телефон
    Доступность
    Склад Алматы
    г. Алматы, ул. Казыбаева, 3/3, пом. 11
    Пн.-Пт. 10:00-17:00
    +7(776)990-55-56
    Нет в наличии
    Отзывы

    Отзывы не найдены

    История изменения цен

    Цена пока не менялась. Как только она изменится, мы покажем график

    Возможно, вас это заинтересует
     
    • Похожие товары
    • Недавно смотрели