Пневматика и
автоматизация

  • Пн - Пт
  • 9:00 - 18:00
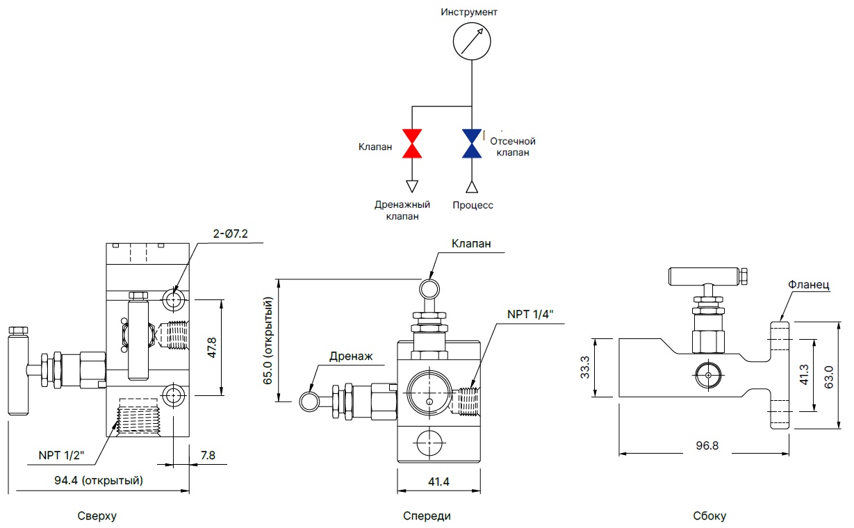
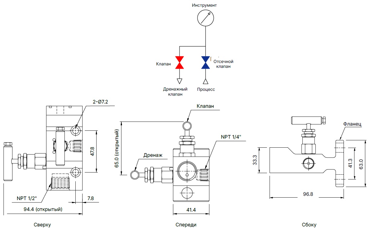
  • M2V1FTV8N-P Hy-Lok - Манифольд фланцевый, двухвентильный, NPT1/2, 414 бар, 232°C
    147 472
    Фотография может отличаться от реального товара

    M2V1FTV8N-P Hy-Lok - Манифольд фланцевый, двухвентильный, NPT1/2, 414 бар, 232°C

    276691
    Доставка в Алматы Изменить
    Стандарт: DIN EN 61518 (IEC 61518) • Подключение: NPT1/2-плита/фланец • Материал корпуса: сталь нержавеющая AISI 316
    +
    Отложить
    Преимущества
    Бесплатные консультации и техподдержка
    Подбор аналогов из наличия
    Быстрая обработка заявки
    Индивидуальный подход
    Лучшие цены и сроки
    Оплата
    Доставка
    • Все о товаре
    • Описание
    • Характеристики
    • Документация

    Описание M2V1FTV8N-P

    Стандарт: DIN EN 61518 (IEC 61518) • Подключение: NPT1/2-плита/фланец • Материал корпуса: сталь нержавеющая AISI 316

    Автор

    Ответственный редактор / Инженер

    Директор «Би Энд Би Инжиниринг»
    «Описание товара M2V1FTV8N-P Hy-Lok - Манифольд фланцевый, двухвентильный, NPT1/2, 414 бар, 232°C на этой странице составлено на основе нашего 10-летнего опыта работы в сфере пневматического оборудования, запорной арматуры и промышленной автоматизации. Если у вас есть вопросы или комментарии — напишите мне лично».

    Характеристики M2V1FTV8N-P

    Общие характеристики
    Сбросной порт
    • с заглушкой
    Тип конструкции
    двухвентильный
    Стандарт
    • DIN EN 61518 (IEC 61518)
    Тип иглы
    • V-образная
    Массо-габаритные и монтажные характеристики
    Подключение
    NPT1/2-плита/фланец
    Вход (канал 1/P)
    • NPT1/2
    Выход (каналы 2/A, 4/B)
    • плита/фланец
    Выхлоп/сброс/дренаж (каналы 3/R, 5/S)
    • NPT1/4
    Условия эксплуатации
    Рабочее давление
    • 414 бар
    Рабочая температура
    • -54 ÷ 232 °C
    Материалы
    Основной материал
    сталь нержавеющая
    Корпус
    сталь нержавеющая AISI 316
    Уплотнения
    политетрафторэтилен (PTFE)
    Идентификационные данные
    Производитель
    Hy-Lok/RUSLOK
    Артикул
    M2V1FTV8N-P
    Ед. изм.
    шт.
    Отзывы

    Отзывы не найдены

    Как только цена на товар снизится, вы сразу об этом узнаете
    Следить за снижением цены

    Цена пока не менялась. Как только она изменится, мы покажем график

    Возможно, вас это заинтересует
     
    • Похожие товары
    • Недавно смотрели