Пневматика и
автоматизация

  • Пн - Пт
  • 9:00 - 18:00
  • Фотография может отличаться от реального товара

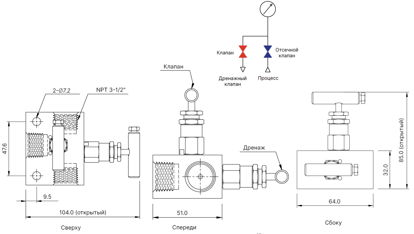
    M2VTBF8N-P-OS Hy-Lok - Манифольд, двухвентильный, NPT1/2, под кислород, 414 бар, 232°C

    276699
    Подключение: NPT1/2 • Материал корпуса: сталь нержавеющая AISI 316
    Преимущества
    Бесплатные консультации и техподдержка
    Подбор аналогов из наличия
    Быстрая обработка заявки
    Индивидуальный подход
    Лучшие цены и сроки
    Оплата
    Доставка
    • Все о товаре
    • Описание
    • Характеристики
    • Документация

    Описание M2VTBF8N-P-OS

    Подключение: NPT1/2 • Материал корпуса: сталь нержавеющая AISI 316

    Автор

    Ответственный редактор / Инженер

    Директор «Би Энд Би Инжиниринг»
    «Описание товара M2VTBF8N-P-OS Hy-Lok - Манифольд, двухвентильный, NPT1/2, под кислород, 414 бар, 232°C на этой странице составлено на основе нашего 10-летнего опыта работы в сфере пневматического оборудования, запорной арматуры и промышленной автоматизации. Если у вас есть вопросы или комментарии — напишите мне лично».

    Характеристики M2VTBF8N-P-OS

    Общие характеристики
    Сбросной порт
    • с заглушкой
    Тип конструкции
    двухвентильный
    Тип иглы
    • шарообразная
    Массо-габаритные и монтажные характеристики
    Подключение
    NPT1/2
    Вход (канал 1/P)
    • NPT1/2
    Выход (каналы 2/A, 4/B)
    • NPT1/2
    Выхлоп/сброс/дренаж (каналы 3/R, 5/S)
    • NPT1/2
    Условия эксплуатации
    Рабочее давление
    • 414 бар
    Рабочая температура
    • -54 ÷ 232 °C
    Материалы
    Основной материал
    сталь нержавеющая
    Очистка под кислород
    • есть
    Корпус
    сталь нержавеющая AISI 316
    Уплотнения
    политетрафторэтилен (PTFE)
    Идентификационные данные
    Производитель
    Hy-Lok/RUSLOK
    Артикул
    M2VTBF8N-P-OS
    Ед. изм.
    шт.
    Отзывы

    Отзывы не найдены

    Как только цена на товар снизится, вы сразу об этом узнаете
    Следить за снижением цены

    Цена пока не менялась. Как только она изменится, мы покажем график

    Возможно, вас это заинтересует
     
    • Похожие товары
    • Недавно смотрели