Пневматика и
автоматизация

  • Пн - Пт
  • 9:00 - 18:00
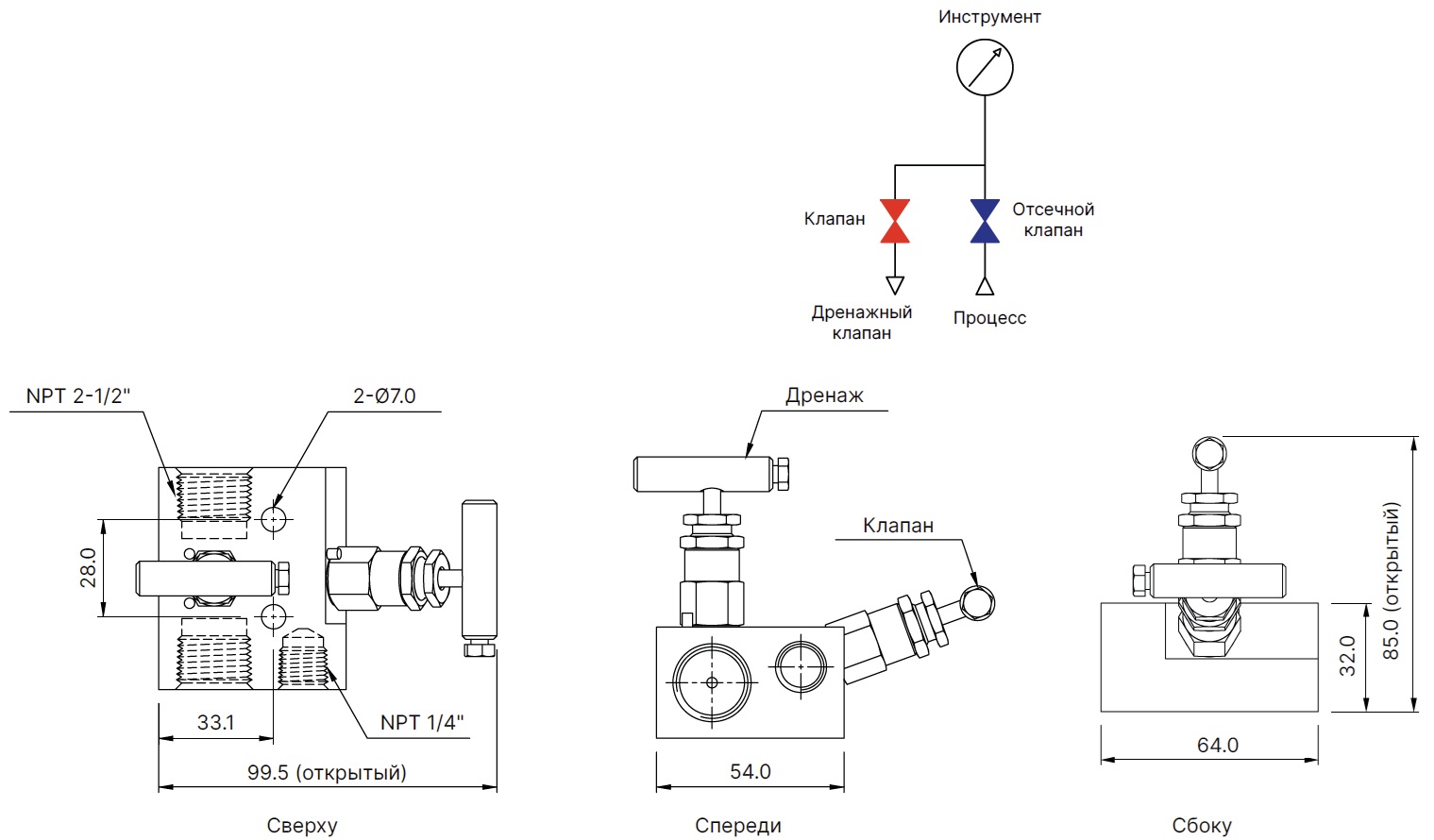
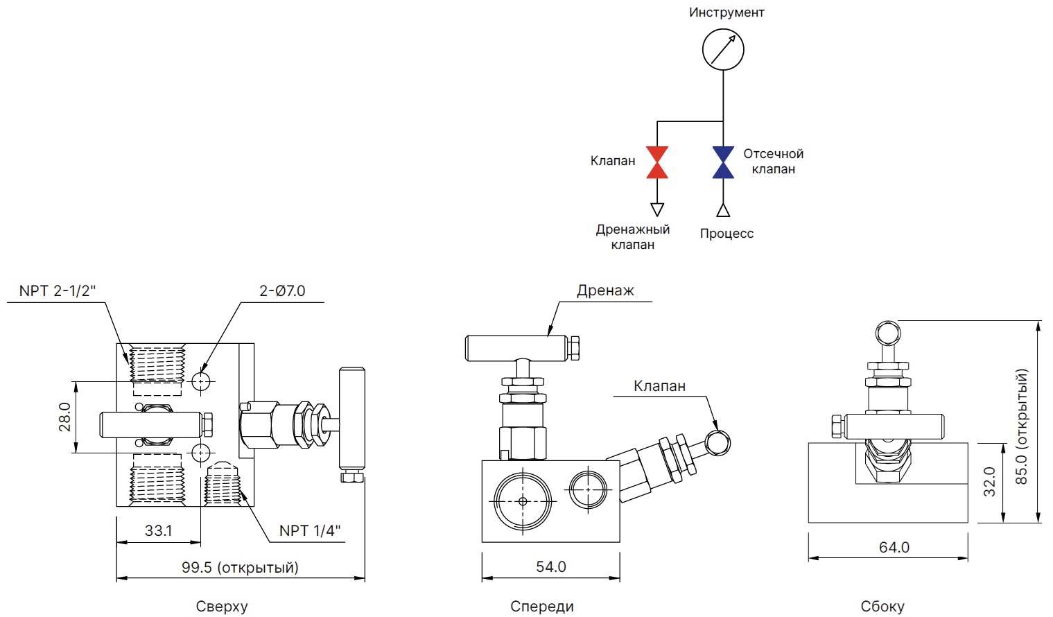
  • M2VVGV8N-P Hy-Lok - Манифольд, двухвентильный, NPT1/2, 414 бар, 648°C
    149 115
    Фотография может отличаться от реального товара

    M2VVGV8N-P Hy-Lok - Манифольд, двухвентильный, NPT1/2, 414 бар, 648°C

    276705
    Доставка в Алматы Изменить
    Подключение: NPT1/2 • Материал корпуса: сталь нержавеющая AISI 316
    +
    Отложить
    Преимущества
    Бесплатные консультации и техподдержка
    Подбор аналогов из наличия
    Быстрая обработка заявки
    Индивидуальный подход
    Лучшие цены и сроки
    Оплата
    Доставка
    • Все о товаре
    • Описание
    • Характеристики
    • Документация

    Описание M2VVGV8N-P

    Подключение: NPT1/2 • Материал корпуса: сталь нержавеющая AISI 316

    Автор

    Ответственный редактор / Инженер

    Директор «Би Энд Би Инжиниринг»
    «Описание товара M2VVGV8N-P Hy-Lok - Манифольд, двухвентильный, NPT1/2, 414 бар, 648°C на этой странице составлено на основе нашего 10-летнего опыта работы в сфере пневматического оборудования, запорной арматуры и промышленной автоматизации. Если у вас есть вопросы или комментарии — напишите мне лично».

    Характеристики M2VVGV8N-P

    Общие характеристики
    Сбросной порт
    • с заглушкой
    Тип конструкции
    двухвентильный
    Тип иглы
    • V-образная
    Массо-габаритные и монтажные характеристики
    Подключение
    NPT1/2
    Вход (канал 1/P)
    • NPT1/2
    Выход (каналы 2/A, 4/B)
    • NPT1/2
    Выхлоп/сброс/дренаж (каналы 3/R, 5/S)
    • NPT1/4
    Условия эксплуатации
    Рабочее давление
    • 414 бар
    Рабочая температура
    • -54 ÷ 648 °C
    Материалы
    Основной материал
    сталь нержавеющая
    Корпус
    сталь нержавеющая AISI 316
    Уплотнения
    гибкий графит (Grafoil)
    Идентификационные данные
    Производитель
    Hy-Lok/RUSLOK
    Артикул
    M2VVGV8N-P
    Ед. изм.
    шт.
    Отзывы

    Отзывы не найдены

    Как только цена на товар снизится, вы сразу об этом узнаете
    Следить за снижением цены

    Цена пока не менялась. Как только она изменится, мы покажем график

    Возможно, вас это заинтересует
     
    • Похожие товары
    • Недавно смотрели