Пневматика и
автоматизация

  • Пн - Пт
  • 9:00 - 18:00
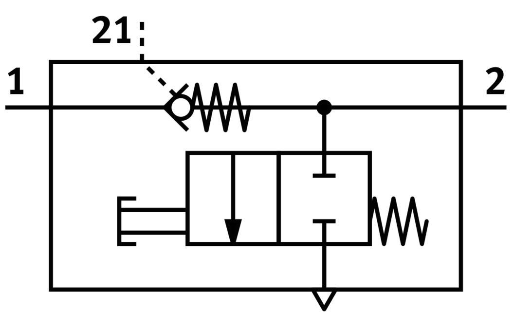
  • VBNF-LBA-G14-Q8 1927027 FESTO - Управляемый обратный клапан однонаправленный G1/4-8 мм
    81 779
    Фотография может отличаться от реального товара

    VBNF-LBA-G14-Q8 1927027 FESTO - Управляемый обратный клапан однонаправленный G1/4-8 мм

    12922
    Доставка в Алматы Изменить
    Функция клапана: 2/2 НЗ однонаправленный (закрыт в одну сторону без сигнала) • Подключение: G1/4-8 мм • Материал корпуса: полибутилентерефталат (PBT)
    +
    Отложить
    Преимущества
    Бесплатные консультации и техподдержка
    Подбор аналогов из наличия
    Быстрая обработка заявки
    Индивидуальный подход
    Лучшие цены и сроки
    Оплата
    Доставка
    • Все о товаре
    • Описание
    • Характеристики
    • Документация

    Описание VBNF-LBA-G14-Q8 1927027

    Функция клапана: 2/2 НЗ однонаправленный (закрыт в одну сторону без сигнала) • Подключение: G1/4-8 мм • Материал корпуса: полибутилентерефталат (PBT)

    Автор

    Ответственный редактор / Инженер

    Директор «Би Энд Би Инжиниринг»
    «Описание товара VBNF-LBA-G14-Q8 1927027 FESTO - Управляемый обратный клапан однонаправленный G1/4-8 мм на этой странице составлено на основе нашего 10-летнего опыта работы в сфере пневматического оборудования, запорной арматуры и промышленной автоматизации. Если у вас есть вопросы или комментарии — напишите мне лично».

    Характеристики VBNF-LBA-G14-Q8 1927027

    Характеристики клапанов
    Функция клапана
    2/2 НЗ однонаправленный (закрыт в одну сторону без сигнала)
    Пилотное давление
    2 ÷ 10 бар
    Функция ручного сброса
    • нажимной
    Расходные характеристики
    Стандартный номинальный расход 1 -> 2 при давлении 6 -> 5 бар
    • 620 л/мин
    Общие характеристики
    Время включения
    • 8 мс
    Время выключения
    • 11 мс
    Массо-габаритные и монтажные характеристики
    Подключение
    G1/4-8 мм
    Подключение, канал 1
    • 8 мм (трубка)
    Подключение, канал 2
    • G1/4
    Подвод пилотного воздуха
    • 8 мм (трубка)
    Монтаж
    • резьбовой
    Масса
    65.6 г
    Условия эксплуатации
    Рабочая среда
    • сжатый воздух в соответствии с ISO 8573-1:2010 [7:4:4]
    Примечание по рабочей среде
    • возможна работа со смазкой (впоследствии требуется постоянная смазка)
    Рабочее давление
    • 0.2 ÷ 10 бар
    Рабочая температура
    • -10 ÷ 60 °C
    Монтажное положение
    • любое
    Материалы
    Основной материал
    пластик
    Пустотелый болт
    • алюминий
    Корпус
    полибутилентерефталат (PBT)
    Крышка
    • полибутилентерефталат (PBT)
    Отпускающее кольцо
    • полиформальдегид (POM)
    Уплотнения
    бутадиен-нитрильный каучук (NBR)
    Дополнительные характеристики
    Возможность поворота
    • 360° / поворот на больший угол недопустим
    Стандартная пропускная способность 1 -> 2 из 6 на 0 бар
    • 1100
    Идентификационные данные
    Производитель
    FESTO
    Артикул
    1927027
    Маркировка
    VBNF-LBA-G14-Q8
    GTIN
    4052568108977
    Ед. изм.
    шт.
    Наличие в магазинах
    Магазин и адрес
    Режим работы
    Телефон
    Доступность
    Склад Алматы
    г. Алматы, ул. Казыбаева, 3/3, пом. 11
    Пн.-Пт. 10:00-17:00
    +7(776)990-55-56
    Нет в наличии
    Отзывы

    Отзывы не найдены

    Как только цена на товар снизится, вы сразу об этом узнаете
    Следить за снижением цены

    Цена пока не менялась. Как только она изменится, мы покажем график

    Возможно, вас это заинтересует
     
    • Похожие товары
    • Недавно смотрели