Пневматика и
автоматизация

  • Пн - Пт
  • 9:00 - 18:00
  • Фотография может отличаться от реального товара

    OS IT61P-43N-32-LE ТЕКО - Оптический датчик световой барьер: приемник, NPN, до 32 м

    322019
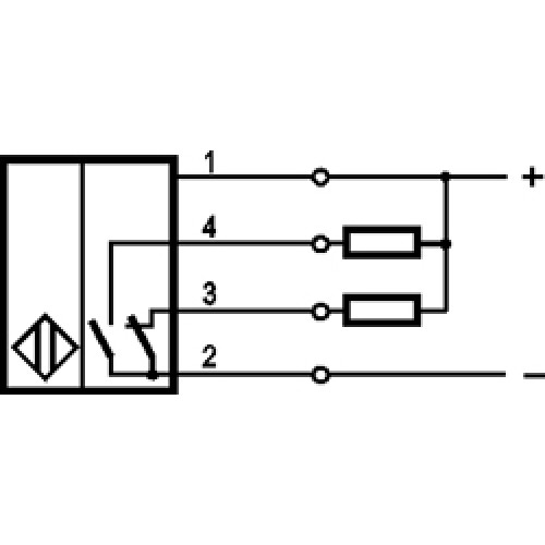
    Дискретный выход: NPN • Диапазон измерения: 32000 мм • Электрическое подключение: клеммы 4-контактные • Класс защиты: IP67 • Рабочее напряжение: 12 ÷ 24 V DC • Материал корпуса: пластик
    Преимущества
    Бесплатные консультации и техподдержка
    Подбор аналогов из наличия
    Быстрая обработка заявки
    Индивидуальный подход
    Лучшие цены и сроки
    Оплата
    Доставка
    • Все о товаре
    • Описание
    • Характеристики

    Описание OS IT61P-43N-32-LE

    Дискретный выход: NPN • Диапазон измерения: 32000 мм • Электрическое подключение: клеммы 4-контактные • Класс защиты: IP67 • Рабочее напряжение: 12 ÷ 24 V DC • Материал корпуса: пластик

    Автор

    Ответственный редактор / Инженер

    Директор «Би Энд Би Инжиниринг»
    «Описание товара OS IT61P-43N-32-LE ТЕКО - Оптический датчик световой барьер: приемник, NPN, до 32 м на этой странице составлено на основе нашего 10-летнего опыта работы в сфере пневматического оборудования, запорной арматуры и промышленной автоматизации. Если у вас есть вопросы или комментарии — напишите мне лично».

    Характеристики OS IT61P-43N-32-LE

    Характеристики входов/выходов
    Дискретный выход
    NPN
    Характеристики средств измерений
    Диапазон измерения
    32000 мм
    Верхний предел диапазона дистанции
    32000 мм
    Функция переключения
    • на свет/на затемнение
    Тип датчика
    • датчик типа световой барьер: приемник
    Время отклика
    • 10 мс
    Общие характеристики
    Тип конструкции
    прямоугольный
    Тип излучателя
    • инфракрасный
    Индикация состояния
    • да
    Массо-габаритные и монтажные характеристики
    Электрическое подключение
    клеммы 4-контактные
    Размеры
    • 71x85x25 мм
    Условия эксплуатации
    Макс. потребление тока
    • 15 мА
    Рабочая температура
    • -15 ÷ 65 °C
    Класс защиты
    • IP67
    Макс. частота переключения
    • 50 Гц
    Защита от короткого замыкания
    • да
    Защита от смены полярности
    • да
    Макс. выходной ток
    • 250 мА
    Рабочее напряжение
    12 ÷ 24 V DC
    Материалы
    Корпус
    пластик
    Идентификационные данные
    Производитель
    ТЕКО
    Артикул
    OS IT61P-43N-32-LE
    Ед. изм.
    шт.
    Отзывы

    Отзывы не найдены

    Как только цена на товар снизится, вы сразу об этом узнаете
    Следить за снижением цены

    Цена пока не менялась. Как только она изменится, мы покажем график

    Возможно, вас это заинтересует
     
    • Похожие товары
    • Недавно смотрели