Пневматика и
автоматизация

  • Пн - Пт
  • 9:00 - 18:00
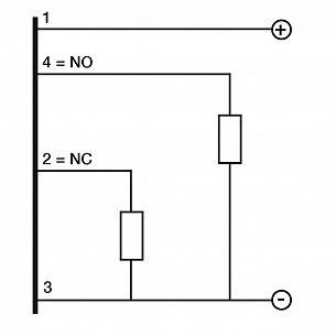
  • PFK1/BP-2H26 Micro Detectors - Индуктивный датчик, M18x1, выступающий, НО/НЗ, PNP, дист. 8 мм, разъём M12x1
    278 937
    Фотография может отличаться от реального товара

    PFK1/BP-2H26 Micro Detectors - Индуктивный датчик, M18x1, выступающий, НО/НЗ, PNP, дист. 8 мм, разъём M12x1

    296278
    Доставка в Алматы Изменить
    Дискретный выход: НО/НЗ (перекидной), PNP • Тип установки: выступающий • Номинальная дистанция переключения: 8мм • Электрическое подключение: разъём M12x1 • Крепежная резьба: M18x1 • Класс защиты: IP68, IP69K • Рабочее напряжение: 12 ÷ 24 V DC • Материал корпуса: сталь нержавеющая
    +
    Отложить
    Преимущества
    Бесплатные консультации и техподдержка
    Подбор аналогов из наличия
    Быстрая обработка заявки
    Индивидуальный подход
    Лучшие цены и сроки
    Оплата
    Доставка
    • Все о товаре
    • Описание
    • Характеристики
    • Документация

    Описание PFK1/BP-2H26

    Дискретный выход: НО/НЗ (перекидной), PNP • Тип установки: выступающий • Номинальная дистанция переключения: 8мм • Электрическое подключение: разъём M12x1 • Крепежная резьба: M18x1 • Класс защиты: IP68, IP69K • Рабочее напряжение: 12 ÷ 24 V DC • Материал корпуса: сталь нержавеющая

    Автор

    Ответственный редактор / Инженер

    Директор «Би Энд Би Инжиниринг»
    «Описание товара PFK1/BP-2H26 Micro Detectors - Индуктивный датчик, M18x1, выступающий, НО/НЗ, PNP, дист. 8 мм, разъём M12x1 на этой странице составлено на основе нашего 10-летнего опыта работы в сфере пневматического оборудования, запорной арматуры и промышленной автоматизации. Если у вас есть вопросы или комментарии — напишите мне лично».

    Характеристики PFK1/BP-2H26

    Характеристики входов/выходов
    Дискретный выход
    НО/НЗ (перекидной), PNP
    Характеристики средств измерений
    Тип установки
    • выступающий
    Номинальная дистанция переключения
    8 мм
    Общие характеристики
    Тип конструкции
    резьбовой
    Массо-габаритные и монтажные характеристики
    Электрическое подключение
    разъём M12x1
    Крепежная резьба
    • M18x1
    Условия эксплуатации
    Рабочая температура
    • -25 ÷ 110 °C
    Класс защиты
    • IP68
    • IP69K
    Макс. частота переключения
    • 1500 Гц
    Защита от короткого замыкания
    • да
    Защита от смены полярности
    • да
    Рабочее напряжение
    12 ÷ 24 V DC
    Материалы
    Основной материал
    сталь нержавеющая
    Корпус
    сталь нержавеющая
    Идентификационные данные
    Производитель
    Micro Detectors
    Артикул
    PFK1/BP-2H26
    Ед. изм.
    шт.
    Отзывы

    Отзывы не найдены

    Как только цена на товар снизится, вы сразу об этом узнаете
    Следить за снижением цены

    Цена пока не менялась. Как только она изменится, мы покажем график

    Возможно, вас это заинтересует
     
    • Похожие товары
    • Недавно смотрели