- Все о товаре
- Описание
- Характеристики
- Документация
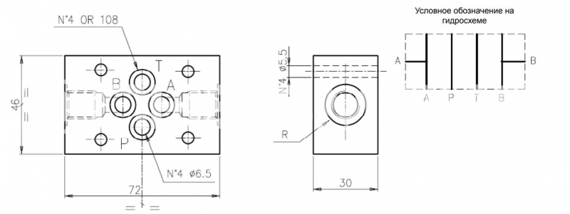
Описание PM-1/AB-1/4_S950501_EB30314
Автор
Характеристики PM-1/AB-1/4_S950501_EB30314
Условный проход, номинальный диаметр — номинальный параметр, применяемый при описании трубопроводных систем как характеризующий признак при монтаже и подгонке друг к другу деталей трубопровода (труб, фитингов, арматуры).

Условный проход примерно соответствует внутреннему диаметру элемента трубопровода, выраженному в миллиметрах. Он не имеет единицы измерения и указывается, например, как DN 100, (Ду 100 в прошлом).
Отзывы не найдены
Цена пока не менялась. Как только она изменится, мы покажем график