Пневматика и
автоматизация

  • Пн - Пт
  • 9:00 - 18:00
  • Фотография может отличаться от реального товара

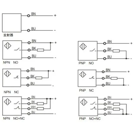
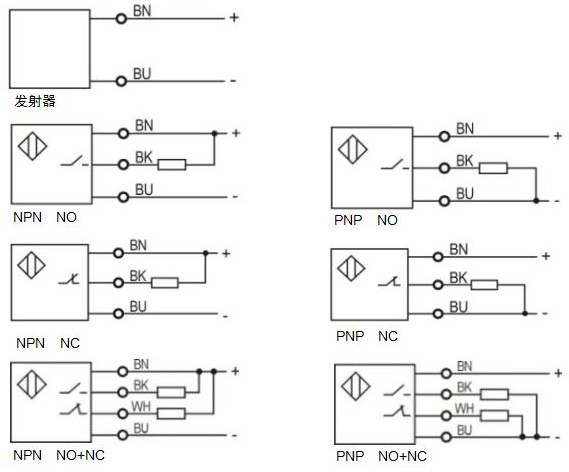
    PR18G-TM20DPO LANBAO - Оптический датчик световой барьер: приемник, M18, PNP, до 20 м

    318568
    Дискретный выход: PNP • Диапазон измерения: 20000 мм • Электрическое подключение: кабель • Длина кабеля: 2м • Крепежная резьба: M18x1 • Класс защиты: IP65 • Рабочее напряжение: 12 ÷ 24 V DC • Материал корпуса: латунь никелированная
    Преимущества
    Бесплатные консультации и техподдержка
    Подбор аналогов из наличия
    Быстрая обработка заявки
    Индивидуальный подход
    Лучшие цены и сроки
    Оплата
    Доставка
    • Все о товаре
    • Описание
    • Характеристики
    • Документация

    Описание PR18G-TM20DPO

    Дискретный выход: PNP • Диапазон измерения: 20000 мм • Электрическое подключение: кабель • Длина кабеля: 2м • Крепежная резьба: M18x1 • Класс защиты: IP65 • Рабочее напряжение: 12 ÷ 24 V DC • Материал корпуса: латунь никелированная

    Автор

    Ответственный редактор / Инженер

    Директор «Би Энд Би Инжиниринг»
    «Описание товара PR18G-TM20DPO LANBAO - Оптический датчик световой барьер: приемник, M18, PNP, до 20 м на этой странице составлено на основе нашего 10-летнего опыта работы в сфере пневматического оборудования, запорной арматуры и промышленной автоматизации. Если у вас есть вопросы или комментарии — напишите мне лично».

    Характеристики PR18G-TM20DPO

    Характеристики входов/выходов
    Дискретный выход
    PNP
    Характеристики средств измерений
    Диапазон измерения
    20000 мм
    Верхний предел диапазона дистанции
    20000 мм
    Функция переключения
    • на затемнение
    Тип датчика
    • датчик типа световой барьер: приемник
    Время отклика
    • 8.2 мс
    Длина волны
    • 880 нм
    Общие характеристики
    Минимальный диаметр/размер объекта
    • 15 мм
    Тип конструкции
    резьбовой
    Особенности
    • Настраиваемое расстояние обнаружения
    Тип излучателя
    • инфракрасный
    Индикация состояния
    • да
    Массо-габаритные и монтажные характеристики
    Электрическое подключение
    кабель
    Длина кабеля
    2 м
    Крепежная резьба
    • M18x1
    Условия эксплуатации
    Макс. потребление тока
    • 25 мА
    Рабочая температура
    • -15 ÷ 55 °C
    Класс защиты
    • IP65
    Относительная влажность воздуха
    • 35 - 95 %
    Защита от короткого замыкания
    • да
    Защита от перегрузки
    • да
    Защита от смены полярности
    • да
    Макс. выходной ток
    • 200 мА
    Рабочее напряжение
    12 ÷ 24 V DC
    Материалы
    Корпус
    латунь никелированная
    Идентификационные данные
    Производитель
    Lanbao
    Артикул
    PR18G-TM20DPO
    Ед. изм.
    шт.
    Наличие в магазинах
    Магазин и адрес
    Режим работы
    Телефон
    Доступность
    Склад Алматы
    г. Алматы, ул. Казыбаева, 3/3, пом. 11
    Пн.-Пт. 10:00-17:00
    +7(776)990-55-56
    Нет в наличии
    Отзывы

    Отзывы не найдены

    История изменения цен

    Цена пока не менялась. Как только она изменится, мы покажем график

    Возможно, вас это заинтересует
     
    • Похожие товары
    • Недавно смотрели