Пневматика и
автоматизация

  • Пн - Пт
  • 9:00 - 18:00
  • PSE-PM10DPRL LANBAO - Оптический датчик рефлекторный, 1xНО, 1xНЗ, PNP, до 10 м
    109 950
    Фотография может отличаться от реального товара

    PSE-PM10DPRL LANBAO - Оптический датчик рефлекторный, 1xНО, 1xНЗ, PNP, до 10 м

    305874
    Доставка в Алматы Изменить
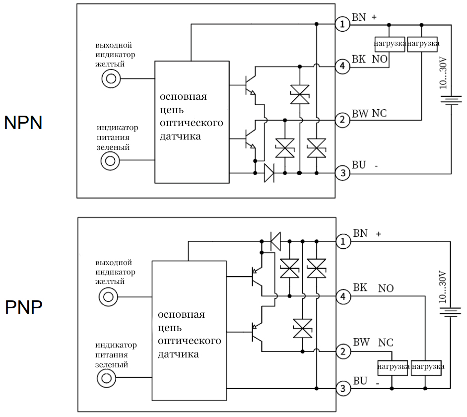
    Дискретный выход: 1xНО, 1xНЗ, PNP • Диапазон измерения: 10000 мм • Электрическое подключение: кабель • Длина кабеля: 2м • Класс защиты: IP67 • Рабочее напряжение: 12 ÷ 24 V DC • Материал корпуса: пластик
    +
    Отложить
    Преимущества
    Бесплатные консультации и техподдержка
    Подбор аналогов из наличия
    Быстрая обработка заявки
    Индивидуальный подход
    Лучшие цены и сроки
    Оплата
    Доставка
    • Все о товаре
    • Описание
    • Характеристики
    • Документация

    Описание PSE-PM10DPRL

    Дискретный выход: 1xНО, 1xНЗ, PNP • Диапазон измерения: 10000 мм • Электрическое подключение: кабель • Длина кабеля: 2м • Класс защиты: IP67 • Рабочее напряжение: 12 ÷ 24 V DC • Материал корпуса: пластик

    Автор

    Ответственный редактор / Инженер

    Директор «Би Энд Би Инжиниринг»
    «Описание товара PSE-PM10DPRL LANBAO - Оптический датчик рефлекторный, 1xНО, 1xНЗ, PNP, до 10 м на этой странице составлено на основе нашего 10-летнего опыта работы в сфере пневматического оборудования, запорной арматуры и промышленной автоматизации. Если у вас есть вопросы или комментарии — напишите мне лично».

    Характеристики PSE-PM10DPRL

    Характеристики входов/выходов
    Дискретный выход
    1xНО, 1xНЗ, PNP
    Характеристики средств измерений
    Диапазон измерения
    10000 мм
    Верхний предел диапазона дистанции
    10000 мм
    Тип датчика
    • рефлекторный датчик
    Время отклика
    • 0.5 мс
    Длина волны
    • 650 нм
    Доступен поляризационный фильтр
    • да
    Класс лазера
    • 1
    Размер светового пятна
    • 20 мм
    Общие характеристики
    Тип конструкции
    прямоугольный
    Тип излучателя
    • лазер красный
    Индикация состояния
    • желтый светодиод
    • зеленый светодиод
    Комплектация
    • Монтажный кронштейн
    Применение
    • для тяжелых условий окружающей среды
    Массо-габаритные и монтажные характеристики
    Электрическое подключение
    кабель
    Длина кабеля
    2 м
    Размеры
    • 32.5x20.7x10.6 мм
    Масса
    50 г
    Условия эксплуатации
    Макс. потребление тока
    • 20 мА
    Рабочая температура
    • -10 ÷ 50 °C
    Класс защиты
    • IP67
    Макс. частота переключения
    • 1000 Гц
    Защита от короткого замыкания
    • да
    Защита от перегрузки
    • да
    Защита от смены полярности
    • да
    Макс. выходной ток
    • 100 мА
    Рабочее напряжение
    12 ÷ 24 V DC
    Материалы
    Корпус
    пластик
    Дополнительные характеристики
    Настройка/регулировка
    • потенциометр
    Идентификационные данные
    Производитель
    Lanbao
    Артикул
    PSE-PM10DPRL
    Ед. изм.
    шт.
    Наличие в магазинах
    Магазин и адрес
    Режим работы
    Телефон
    Доступность
    Склад Алматы
    г. Алматы, ул. Казыбаева, 3/3, пом. 11
    Пн.-Пт. 10:00-17:00
    +7(776)990-55-56
    Под заказ: 30-40 дней
    Отзывы

    Отзывы не найдены

    История изменения цен

    Цена пока не менялась. Как только она изменится, мы покажем график

    Возможно, вас это заинтересует
     
    • Похожие товары
    • Недавно смотрели