- Все о товаре
- Описание
- Характеристики
- Документация
Описание CPV14-M1H-2X3-GLS-1/8 161362
Автор
Характеристики CPV14-M1H-2X3-GLS-1/8 161362
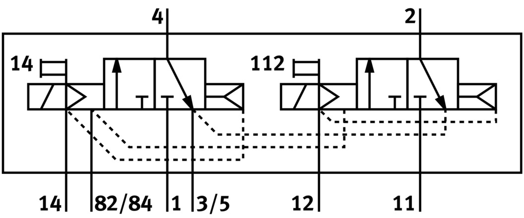
Функция клапана выбирается в зависимости от режима работы исполнительного механизма и напрямую определяет логику пневмосхемы. Подробнее
Диапазон давления, подводимого к каналу питания пилота и необходимого для нормальной работы распределителя.
Переключение клапана происходит за счет перемещения внутри него запорного элемента, например, поршня, мембраны, золотника или картриджа.
В распределителях прямого действия это перемещение возникает в связи со смещение исполнительного элемента – рукоятки, педали, тублера, рычага, в случае клапана с механическим или ручным управлением, а также за счет перемещения сердечника под воздействием магнитного поля катушки, если это клапан с электромагнитным управлением. С одной стороны, это позволяет использовать клапан в широком диапазоне давлений, и даже с вакуумом, так как переключение не зависит от наличия или отсутствия в клапане давления. С другой стороны, пропорционально увеличению размера клапана растет также и требуемое для его переключения усилие. В случае клапанов прямого действия с электромагнитным управлением это означает увеличение размера и мощность катушки, что приводит к повышенному потреблению электроэнергии и излишнему нагреву.

3/2 распределитель прямого действия с электромагнитным управлением.
Распределители непрямого действия имеют в своей конструкции пилотный каскад усиления, который для простоты чаще называют просто пилотом. Задача исполнительного элемента в данном случае состоит не в смещении самого запорного элемента основного клапана, а, фактически, в открытии небольшого воздушного канала. Смещение самого запорного элемента происходит за счет давления, попадающего к нему через этот открывающийся канал.
Фактически, пилот является миниатюрным клапаном-посредником, переключающимся от незначительного усилия исполнительного элемента, и далее направляющим поток рабочей среды на переключение основного клапана. Это позволяет управлять клапанами больших размеров относительно маломощными катушками и небольшими механическими органами управления.
Обратной стороной медали является повышенные требования к рабочим давлениям клапана. Усилие, создаваемое давлением рабочей среды, должно быть достаточным для переключения, при этом само давление не должно быть слишким высоким, иначе пилот может разрушиться. В связи с этим, диапазон давлений клапанов с пилотным управлением ниже, чем у клапанов прямого действия.

3/2 распределитель с электромагнитным управлением и пилотным каскадом.
- с пилотным управлением
Внутреннее или внешнее питание пилота. Влияет на рабочее давление, возможность реверсивной работы и др. Подробнее
- мягкий
- 6 мм
- 24 мс
- 0.65 Вт
- 30 мс
- плита/фланец
- G1/8
- коллектор
- сквозное отверстие
- Коллектор
- Коллектор
- сжатый воздух в соответствии с ISO 8573-1:2010 [7:4:4]
Современное пневматическое оборудование, как правило, уже содержит в себе консистентную смазку, которой хватает на весь срок службы. Это позволяет работать на очищенном сжатом воздухе, без использования маслораспылителей в пневмосистеме.
При подаче в такое оборудования воздуха с дополнительной смазкой (следует использовать специальное масло для пневматических систем) консистентная смазка вымывается, вследствие чего останавливать подачу масла нельзя.
Маслораспыление необходимо в случае работы пневмоприводов на высоких (1 м/с и более) скоростях, при высокой цикличности (так как при нагреве свойства консистентной смазки меняются), а также при работе пневмоинструмента.
- возможна работа со смазкой (впоследствии требуется постоянная смазка)
- -0.9 ÷ 10 бар
- 100% с функцией снижения тока
- -5 ÷ 50 °C
- IP65
- любое
- Коллектор
Глобальный номер товара (англ. Global Trade Item Number; GTIN) предназначен для уникальной идентификации продукта в торговле. GTIN наносится на упаковку товара в виде штрихового кода. Основное правило международной системы автоматической идентификации – товарам с различными потребительскими свойствами (сорт, вес, вид, номер расцветки, номер модели, размер, цена и т. д.) должны присваиваться различные штриховые коды (товарные номера), чтобы у каждого товара был только свой уникальный GTIN (штриховой код).
Отзывы не найдены
Цена пока не менялась. Как только она изменится, мы покажем график