- Все о товаре
- Описание
- Характеристики
- Документация
Описание VZXF-L-M22C-M-B-G1-240-M1-V4B2T-50-10 3539783
Автор
Характеристики VZXF-L-M22C-M-B-G1-240-M1-V4B2T-50-10 3539783
Функция клапана выбирается в зависимости от режима работы исполнительного механизма и напрямую определяет логику пневмосхемы. Подробнее
Диапазон давления, подводимого к каналу питания пилота и необходимого для нормальной работы распределителя.
Переключение клапана происходит за счет перемещения внутри него запорного элемента, например, поршня, мембраны, золотника или картриджа.
В распределителях прямого действия это перемещение возникает в связи со смещение исполнительного элемента – рукоятки, педали, тублера, рычага, в случае клапана с механическим или ручным управлением, а также за счет перемещения сердечника под воздействием магнитного поля катушки, если это клапан с электромагнитным управлением. С одной стороны, это позволяет использовать клапан в широком диапазоне давлений, и даже с вакуумом, так как переключение не зависит от наличия или отсутствия в клапане давления. С другой стороны, пропорционально увеличению размера клапана растет также и требуемое для его переключения усилие. В случае клапанов прямого действия с электромагнитным управлением это означает увеличение размера и мощность катушки, что приводит к повышенному потреблению электроэнергии и излишнему нагреву.

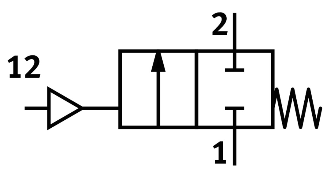
3/2 распределитель прямого действия с электромагнитным управлением.
Распределители непрямого действия имеют в своей конструкции пилотный каскад усиления, который для простоты чаще называют просто пилотом. Задача исполнительного элемента в данном случае состоит не в смещении самого запорного элемента основного клапана, а, фактически, в открытии небольшого воздушного канала. Смещение самого запорного элемента происходит за счет давления, попадающего к нему через этот открывающийся канал.
Фактически, пилот является миниатюрным клапаном-посредником, переключающимся от незначительного усилия исполнительного элемента, и далее направляющим поток рабочей среды на переключение основного клапана. Это позволяет управлять клапанами больших размеров относительно маломощными катушками и небольшими механическими органами управления.
Обратной стороной медали является повышенные требования к рабочим давлениям клапана. Усилие, создаваемое давлением рабочей среды, должно быть достаточным для переключения, при этом само давление не должно быть слишким высоким, иначе пилот может разрушиться. В связи с этим, диапазон давлений клапанов с пилотным управлением ниже, чем у клапанов прямого действия.

3/2 распределитель с электромагнитным управлением и пилотным каскадом.
- прямого действия
- мягкий
Условный проход, номинальный диаметр — номинальный параметр, применяемый при описании трубопроводных систем как характеризующий признак при монтаже и подгонке друг к другу деталей трубопровода (труб, фитингов, арматуры).

Условный проход примерно соответствует внутреннему диаметру элемента трубопровода, выраженному в миллиметрах. Он не имеет единицы измерения и указывается, например, как DN 100, (Ду 100 в прошлом).
- PN40
Пропускная способность Cv (коэффициент потока) и пропускная способность Kv (фактор потока) обычно используются для описания производительности регулирующих клапанов.
Cv - это пропускная способность, измеряемая в дюймах (имперских единицах), определяемая как:
Cv - это количество воды, пропускаемое через клапан при температуре 60 градусов по Фаренгейту в галлонах США в минуту при перепаде давления на клапане в 1 фунт на квадратный дюйм. Измеряется в галлон США/мин.
Kv - это метрический аналог Cv, определенный как:
Kv - это количество воды, пропускаемое через клапан при температуре 5 - 30 градусов Цельсия через клапан в кубических метрах в час при перепаде давления на клапане в 1 бар. Измеряется в м3/час.
Связь между Cv и Kv:
Cv = 1,16 * Kv
Kv = 0,853 * Cv
- 11 м3/ч
- G1/8
- линейный монтаж
- вода
- гидравлическое масло на минеральной основе
- инертные газы
- минеральное масло
- нейтральные жидкости
- пар
- сжатый воздух в соответствии с ISO 8573-1:2010 [7:4:4]
- фильтрованный сжатый воздух, степень фильтрации 200 мкм
- 10 бар
- -40 ÷ 200 °C
- любое
- 600 сСт
Обобщённое наименование основного материала, преобладающего в изделии (например, материал корпуса).
- содержит PWIS вещества
- никелированная латунь
- PTFE
- PTFE
Глобальный номер товара (англ. Global Trade Item Number; GTIN) предназначен для уникальной идентификации продукта в торговле. GTIN наносится на упаковку товара в виде штрихового кода. Основное правило международной системы автоматической идентификации – товарам с различными потребительскими свойствами (сорт, вес, вид, номер расцветки, номер модели, размер, цена и т. д.) должны присваиваться различные штриховые коды (товарные номера), чтобы у каждого товара был только свой уникальный GTIN (штриховой код).
Отзывы не найдены
Цена пока не менялась. Как только она изменится, мы покажем график