Пневматика и
автоматизация

  • Пн - Пт
  • 9:00 - 18:00
  • 13300 00 005 AIGNEP - Штуцер угловой с нар. резьбой обжимной G1/8-8 мм
    7 818
    Фотография может отличаться от реального товара

    13300 00 005 AIGNEP - Штуцер угловой с нар. резьбой обжимной G1/8-8 мм

    168637
    Доставка в Алматы Изменить
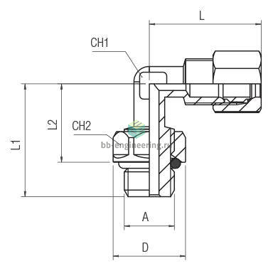
    Форма фитинга: штуцер угловой с нар. резьбой поворотный
    +

    Минимальное количество для товара "13300 00 005 AIGNEP - Штуцер угловой с нар. резьбой обжимной G1/8-8 мм" 10 шт.

    Отложить
    Преимущества
    Бесплатные консультации и техподдержка
    Подбор аналогов из наличия
    Быстрая обработка заявки
    Индивидуальный подход
    Лучшие цены и сроки
    Оплата
    Доставка
    • Все о товаре
    • Описание
    • Характеристики
    • Документация

    Описание 13300 00 005

    АДАПТЕР ПОВОРОТНЫЙ УГЛОВОЙ С НАРУЖНОЙ РЕЗЬБОЙ AIGNEP 1330000005

    Автор

    Ответственный редактор / Инженер

    Директор «Би Энд Би Инжиниринг»
    «Описание товара 13300 00 005 AIGNEP - Штуцер угловой с нар. резьбой обжимной G1/8-8 мм на этой странице составлено на основе нашего 10-летнего опыта работы в сфере пневматического оборудования, запорной арматуры и промышленной автоматизации. Если у вас есть вопросы или комментарии — напишите мне лично».

    Характеристики 13300 00 005

    Характеристики фитингов
    Форма фитинга
    штуцер угловой с нар. резьбой поворотный
    Общие характеристики
    Тип конструкции
    обжим трубки с помощью одинарного обжимного кольца и гайки
    Подключение 1
    Подключение 1, размер
    1/8″
    Подключение 1, тип
    G резьба
    Подключение 1, вид резьбы
    наружная резьба
    Подключение 2
    Подключение 2, размер
    8 мм
    Подключение 2, тип
    трубка
    Условия эксплуатации
    Рабочая температура
    • -20 ÷ 80 °C
    Идентификационные данные
    Производитель
    AIGNEP
    Артикул
    13300 00 005
    Ед. изм.
    шт.
    Наличие в магазинах
    Магазин и адрес
    Режим работы
    Телефон
    Доступность
    Склад Алматы
    г. Алматы, ул. Казыбаева, 3/3, пом. 11
    Пн.-Пт. 10:00-17:00
    +7(776)990-55-56
    Под заказ: 30-40 дней
    Отзывы

    Отзывы не найдены

    История изменения цен

    Цена пока не менялась. Как только она изменится, мы покажем график

    Возможно, вас это заинтересует
     
    • Похожие товары
    • Недавно смотрели