- Все о товаре
- Описание
- Характеристики
- Документация
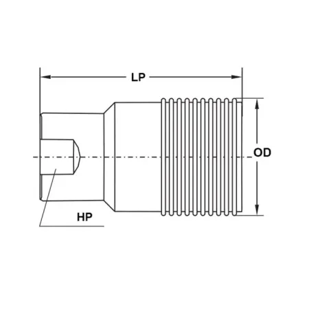
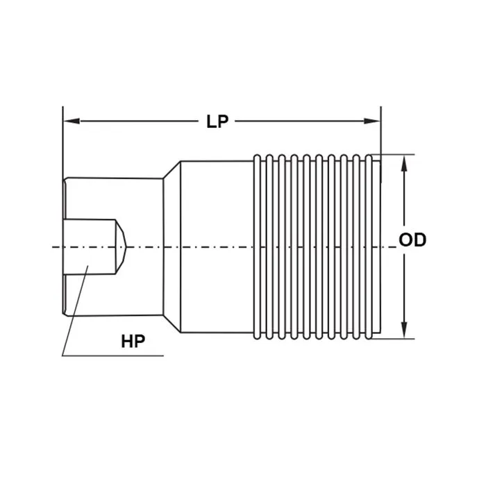
Описание TL10GMN

Быстроразъемное соединение серии G TL10GMN TITAN LOCK имеет конструкцию аналогичную соединениям серии W, но рассчитано на более высокое рабочее давление.
Главной особенностью БРС также является стальная крыльчатая гайка высокой прочности, специально предназначенная для работы под ударными нагрузками.
Сами части соединения выполнены из крепкой углеродистой стали.
Тип соединительной резьбы — американская трубная NPT.
Является аналогом серии WS DIXON.
Размер - 1,25 дюйма.
Применение
Быстроразъемное соединение серии G применяется в соединительных устройствах гидролиний, поворотных соединениях и передвижных буровых устройствах, распространено в нефтегазовой промышленности.Данная муфта используется для погружных насосов, стендов для испытания двигателей, а также в землеройно-транспортном оборудовании и в нефтепромысловых работах на буровых установках.
Соединение рассчитано на рабочее давление до 400 бар.
Автор
Характеристики TL10GMN
- гидравлический
- 600 бар
Обобщённое наименование основного материала, преобладающего в изделии (например, материал корпуса).
- Titan Lock G (WS) оцинк. сталь
Отзывы не найдены
Цена пока не менялась. Как только она изменится, мы покажем график