- Все о товаре
- Описание
- Характеристики
- Документация
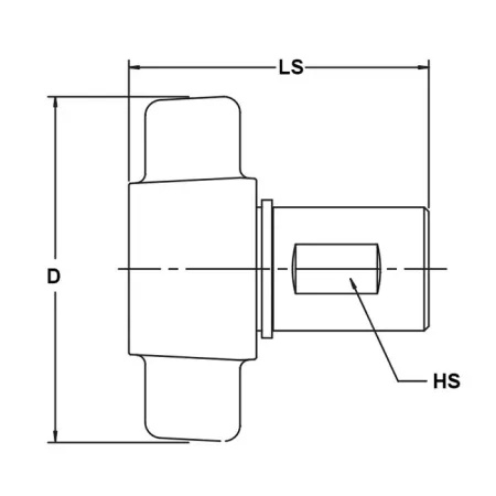
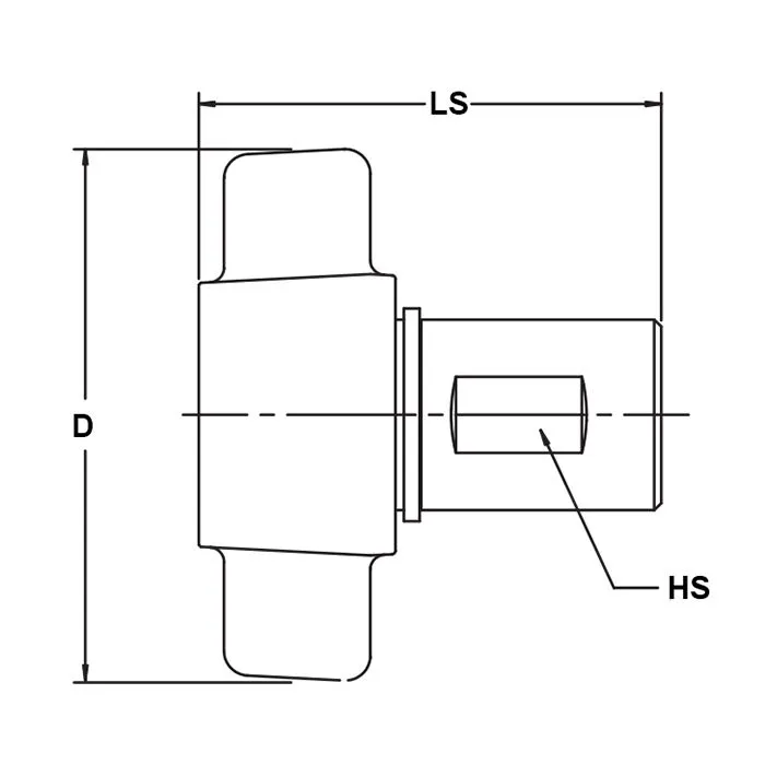
Описание TL12WFN

БРС серии W TL12WFN TITAN LOCK обладает конструкцией резьбового соединения.
Главной особенностью БРС является стальная крыльчатая гайка высокой прочности, специально предназначенная для работы под ударными нагрузками.
Части соединения выполнены из латуни, которая отличается антикоррозийной защитой, а также искробезобасностью, что важно для некоторых специализированных установок.
Тип соединительной резьбы - американская трубная NPT.
Размер - 1,5 дюйма.
Применение
БРС серии W применяется в соединительных устройствах гидролиний, поворотных соединениях и передвижных буровых устройствах, а также на разгрузочных линиях и саморазгружающихся прицепах.Используется в нефтегазовой отрасли, в сфере шельфовых разработок.
Данная муфта часто применяется на буровых платформах, подключение БРС часто происходит под высоким давлением или при максимальном уровне жидкости.
Соединение рассчитано на рабочее давление до 200 бар.
Автор
Характеристики TL12WFN
- гидравлический
Обобщённое наименование основного материала, преобладающего в изделии (например, материал корпуса).
- Titan Lock W
Отзывы не найдены
Цена пока не менялась. Как только она изменится, мы покажем график