- Все о товаре
- Описание
- Характеристики
- Документация
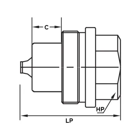
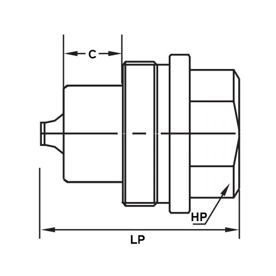
Описание TL2LM

БРС серии L TL2LM TITAN LOCK имеет специальное исполнение клапана, которое позволяет уменьшить износ при мощных импульсах и высокоинтенсивной работе, соответственно повышая показатели работы соединения.
В данной серии БРС используется резьбовой механизм блокировки муфты, сопрягающийся с соответствующей резьбой на ниппеле.
Розетка и ниппель соединяются друг с другом путем ручного соединения резьбовых частей.
Размер - 0,25 дюйма.
Применение
Соединение серии L предназначено для использования в составе передвижного техники, а также сельскохозяйственного и универсального промышленного оборудования, в сфере бурения и разработки нефтяных месторождений.Соединение рассчитано на рабочее давление до 500 бар.
Автор
Характеристики TL2LM
- гидравлический
- 500 бар
Обобщённое наименование основного материала, преобладающего в изделии (например, материал корпуса).
- Titan Lock L (TGW)
Отзывы не найдены
Цена пока не менялась. Как только она изменится, мы покажем график