- Все о товаре
- Описание
- Характеристики
- Документация
Описание TL6IF

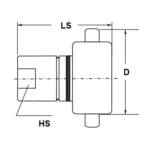
БРС серии I TL6IF TITAN LOCK имеет оснащение в виде резьбы для плотного соединения, которое осуществляется благодаря крыльчатой гайке.
Тарельчатый клапан позволяет соединять части БРС под остаточным давлением.
Крыльчатая гайка упрощает завинчивание составных частей.
Материал исполнения — углеродистая сталь.
Является аналогом серии CVE Parker.
Размер - 0,75 дюйма.
Применение
БРС серии I широко используется в таких видах оборудования как прицепы самосвалов, передвижная дорожно-строительная, а также сельскохозяйственная техника.Соединение рассчитано на рабочее давление до 420 бар.
Автор
Характеристики TL6IF
- гидравлический
- 320 бар
Обобщённое наименование основного материала, преобладающего в изделии (например, материал корпуса).
- Titan Lock I (CVE)
Отзывы не найдены
Цена пока не менялась. Как только она изменится, мы покажем график