- Все о товаре
- Описание
- Характеристики
- Документация
Описание PFYN 40 SI-55 G1/8-IG 10.01.01.00104
Особенности серии
- Круглая, плоская присоска для перемещения плоских заготовок с гладкой или слегка шероховатой поверхностью
- Перемещение горячих заготовок (HT1, SI, FPM)
- Перемещение чувствительных заготовок при малом оставлении следов и антистатике (версии HT1 и AS)
- Большой выбор материалов изготовления удовлетворяет широкому спектру требований (устойчивые к температуре, антистатические, не оставляющие отпечатков, химическая устойчивость)
- Большой выбор различных заготовок благодаря широкому диапазону вариантов диаметра
- Высокие усилия всасывания при небольших размерах
- Минимальное время цикла благодаря небольшому собственному объему
- Опорные поверхности на нижней стороне предотвращают необратимую деформацию тонкостенных заготовок
КОНСТРУКЦИЯ
- Прочная износостойкая присоска PFYN (3) с одиночной уплотнительной кромкой, состоящая из присоски PFG (2) и соединительного ниппеля (1)
- Штуцер, вставляемый в присоски диаметром до 50 мм
- Штуцер, вкручиваемый в металлическую вкладку (вулканизированную в присоску), для присосок диаметром 60 мм или более
- В каждой серии штуцеров, сменные чаши и штуцеры могут комбинироваться по желанию
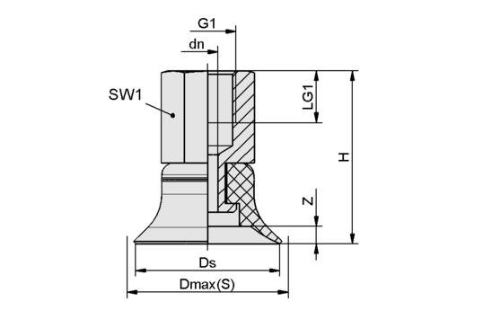
Чертёж
![]() |
|
Автор
Характеристики PFYN 40 SI-55 G1/8-IG 10.01.01.00104
- силикон (SI)
Для вакуумных присосок указанное усилие удрежания является теоретическим значением, рассчитанным при вакууме - 0.6 бар и для гладких, сухих поверхностей заготовок. Это значение не учитывает коэффициент запаса.
- 57.7 Н
- круглая
- плоский
- ø40 мм
- 3.8 см³
- 55 A
Отзывы не найдены
Цена пока не менялась. Как только она изменится, мы покажем график
