Пневматика и
автоматизация

  • Пн - Пт
  • 9:00 - 18:00
  • BOS 21M-PA-ID10-S4 Balluff - Оптический датчик диффузный, PNP, до 2 м
    352 008
    Фотография может отличаться от реального товара

    BOS 21M-PA-ID10-S4 Balluff - Оптический датчик диффузный, PNP, до 2 м

    318203
    Доставка в Алматы Изменить
    Дискретный выход: PNP • Диапазон измерения: 2000 мм • Электрическое подключение: разъём M12x1 • Рабочее напряжение: 12 ÷ 24 V DC • Материал корпуса: цинк
    +
    Отложить
    Преимущества
    Бесплатные консультации и техподдержка
    Подбор аналогов из наличия
    Быстрая обработка заявки
    Индивидуальный подход
    Лучшие цены и сроки
    Оплата
    Доставка
    • Все о товаре
    • Описание
    • Характеристики
    • Документация

    Описание BOS 21M-PA-ID10-S4

    Дискретный выход: PNP • Диапазон измерения: 2000 мм • Электрическое подключение: разъём M12x1 • Рабочее напряжение: 12 ÷ 24 V DC • Материал корпуса: цинк

    Автор

    Ответственный редактор / Инженер

    Директор «Би Энд Би Инжиниринг»
    «Описание товара BOS 21M-PA-ID10-S4 Balluff - Оптический датчик диффузный, PNP, до 2 м на этой странице составлено на основе нашего 10-летнего опыта работы в сфере пневматического оборудования, запорной арматуры и промышленной автоматизации. Если у вас есть вопросы или комментарии — напишите мне лично».

    Характеристики BOS 21M-PA-ID10-S4

    Характеристики входов/выходов
    Дискретный выход
    PNP
    Характеристики средств измерений
    Диапазон измерения
    2000 мм
    Верхний предел диапазона дистанции
    2000 мм
    Функция переключения
    • на свет/на затемнение
    Тип датчика
    • диффузный датчик
    Общие характеристики
    Тип конструкции
    прямоугольный
    Тип излучателя
    • инфракрасный
    Массо-габаритные и монтажные характеристики
    Электрическое подключение
    разъём M12x1
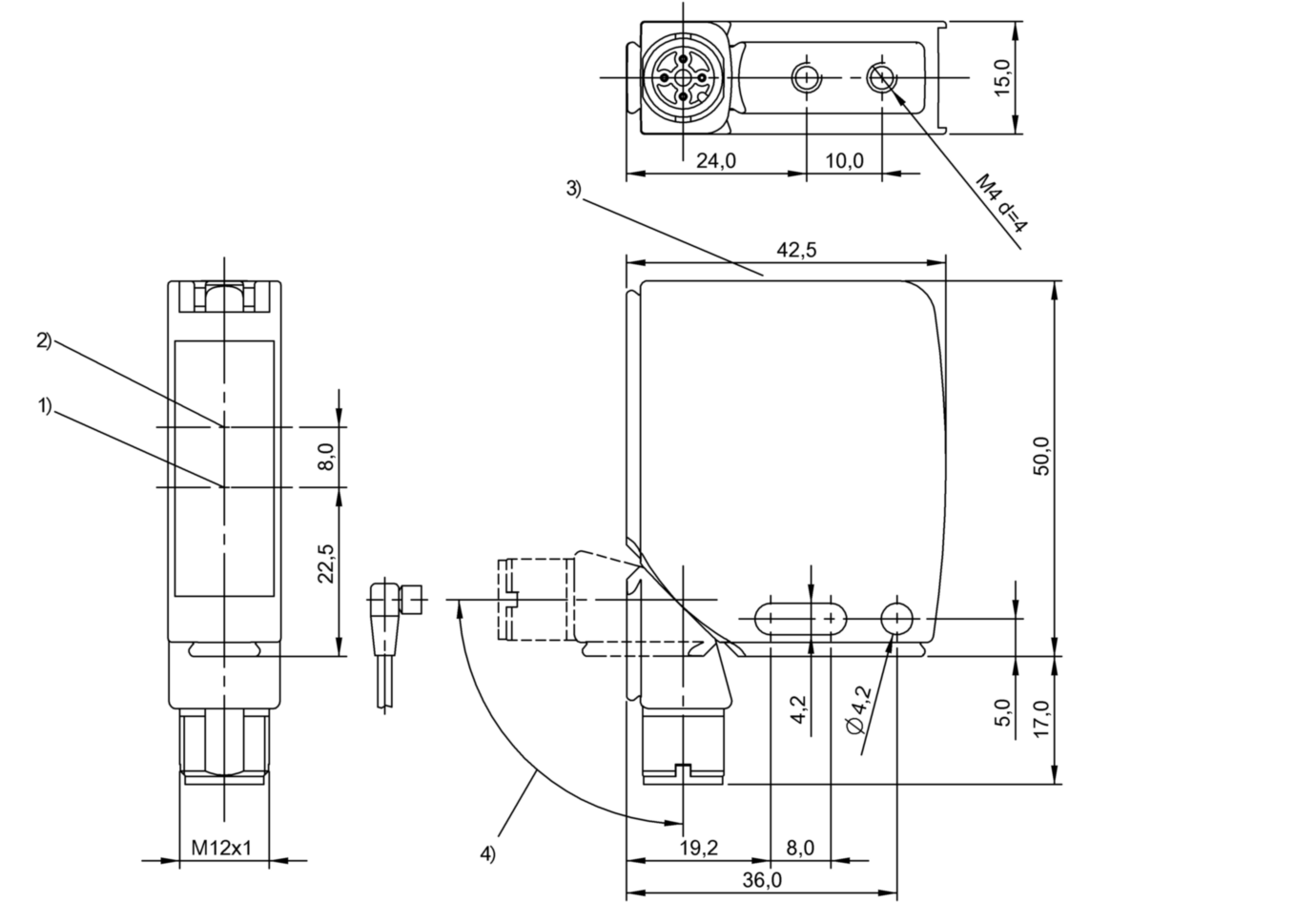
    Размеры
    • 15x50x42.5 мм
    Условия эксплуатации
    Рабочее напряжение
    12 ÷ 24 V DC
    Материалы
    Корпус
    цинк
    Идентификационные данные
    Производитель
    Balluff
    Артикул
    BOS 21M-PA-ID10-S4
    Ед. изм.
    шт.
    Отзывы

    Отзывы не найдены

    Как только цена на товар снизится, вы сразу об этом узнаете
    Следить за снижением цены

    Цена пока не менялась. Как только она изменится, мы покажем график

    Возможно, вас это заинтересует
     
    • Похожие товары
    • Недавно смотрели