Пневматика и
автоматизация

  • Пн - Пт
  • 9:00 - 18:00
  • OHII102C0203 Wenglor - Оптический датчик диффузный, PNP, до 100 мм
    562 717
    Фотография может отличаться от реального товара

    OHII102C0203 Wenglor - Оптический датчик диффузный, PNP, до 100 мм

    309143
    Доставка в Алматы Изменить
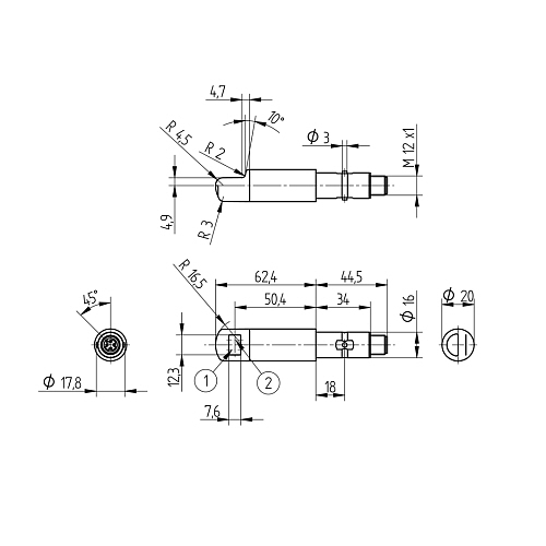
    Дискретный выход: PNP • Диапазон измерения: 100 мм • Исполнение: с подавлением заднего фона • Электрическое подключение: разъём M12x1 4-пин • Диаметр корпуса: 20мм • Класс защиты: IP68, IP69K • Рабочее напряжение: 12 ÷ 24 V DC • Материал корпуса: сталь нержавеющая
    +
    Отложить
    Преимущества
    Бесплатные консультации и техподдержка
    Подбор аналогов из наличия
    Быстрая обработка заявки
    Индивидуальный подход
    Лучшие цены и сроки
    Оплата
    Доставка
    • Все о товаре
    • Описание
    • Характеристики
    • Документация

    Описание OHII102C0203

    Дискретный выход: PNP • Диапазон измерения: 100 мм • Исполнение: с подавлением заднего фона • Электрическое подключение: разъём M12x1 4-пин • Диаметр корпуса: 20мм • Класс защиты: IP68, IP69K • Рабочее напряжение: 12 ÷ 24 V DC • Материал корпуса: сталь нержавеющая

    Автор

    Ответственный редактор / Инженер

    Директор «Би Энд Би Инжиниринг»
    «Описание товара OHII102C0203 Wenglor - Оптический датчик диффузный, PNP, до 100 мм на этой странице составлено на основе нашего 10-летнего опыта работы в сфере пневматического оборудования, запорной арматуры и промышленной автоматизации. Если у вас есть вопросы или комментарии — напишите мне лично».

    Характеристики OHII102C0203

    Характеристики входов/выходов
    Дискретный выход
    PNP
    Характеристики средств измерений
    Диапазон измерения
    100 мм
    Верхний предел диапазона дистанции
    100 мм
    Функция переключения
    • на свет/на затемнение
    Тип датчика
    • диффузный датчик
    Время отклика
    • 0.8 мс
    Общие характеристики
    Тип конструкции
    цилиндрический
    Особенности
    • Обнаружение краев, мин различий в высоте, упаковок, распознавание объектов на любом фоне, контроль уровня наполнения
    Тип излучателя
    • светодиод красный
    Исполнение
    с подавлением заднего фона
    Характеристики контроллеров
    Протокол
    • RS-232
    Массо-габаритные и монтажные характеристики
    Электрическое подключение
    разъём M12x1 4-пин
    Диаметр корпуса
    • 20 мм
    Условия эксплуатации
    Рабочая температура
    • -25 ÷ 60 °C
    Класс защиты
    • IP68
    • IP69K
    Макс. частота переключения
    • 600 Гц
    Защита от короткого замыкания
    • да
    Защита от смены полярности
    • да
    Рабочее напряжение
    12 ÷ 24 V DC
    Материалы
    Корпус
    сталь нержавеющая
    Линзы
    • стекло
    Идентификационные данные
    Производитель
    Wenglor
    Артикул
    OHII102C0203
    Ед. изм.
    шт.
    Отзывы

    Отзывы не найдены

    Как только цена на товар снизится, вы сразу об этом узнаете
    Следить за снижением цены

    Цена пока не менялась. Как только она изменится, мы покажем график

    Возможно, вас это заинтересует
     
    • Похожие товары
    • Недавно смотрели