Пневматика и
автоматизация

  • Пн - Пт
  • 9:00 - 18:00
  • PSR-YC10DNBR LANBAO - Оптический датчик диффузный, M18, NPN, до 100 мм
    44 577
    Фотография может отличаться от реального товара

    PSR-YC10DNBR LANBAO - Оптический датчик диффузный, M18, NPN, до 100 мм

    306375
    Доставка в Алматы Изменить
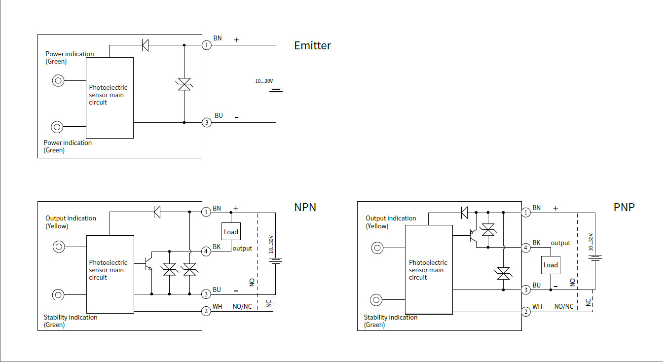
    Дискретный выход: NPN • Диапазон измерения: 100 мм • Исполнение: с подавлением заднего фона • Электрическое подключение: кабель • Длина кабеля: 2м • Крепежная резьба: M18x1 • Класс защиты: IP67 • Рабочее напряжение: 12 ÷ 24 V DC • Материал корпуса: АБС-пластик
    +
    Отложить
    Преимущества
    Бесплатные консультации и техподдержка
    Подбор аналогов из наличия
    Быстрая обработка заявки
    Индивидуальный подход
    Лучшие цены и сроки
    Оплата
    Доставка
    • Все о товаре
    • Описание
    • Характеристики
    • Документация

    Описание PSR-YC10DNBR

    Дискретный выход: NPN • Диапазон измерения: 100 мм • Исполнение: с подавлением заднего фона • Электрическое подключение: кабель • Длина кабеля: 2м • Крепежная резьба: M18x1 • Класс защиты: IP67 • Рабочее напряжение: 12 ÷ 24 V DC • Материал корпуса: АБС-пластик

    Автор

    Ответственный редактор / Инженер

    Директор «Би Энд Би Инжиниринг»
    «Описание товара PSR-YC10DNBR LANBAO - Оптический датчик диффузный, M18, NPN, до 100 мм на этой странице составлено на основе нашего 10-летнего опыта работы в сфере пневматического оборудования, запорной арматуры и промышленной автоматизации. Если у вас есть вопросы или комментарии — напишите мне лично».

    Характеристики PSR-YC10DNBR

    Характеристики входов/выходов
    Дискретный выход
    NPN
    Характеристики средств измерений
    Диапазон измерения
    100 мм
    Верхний предел диапазона дистанции
    100 мм
    Функция переключения
    • на свет/на затемнение
    Тип датчика
    • диффузный датчик
    Время отклика
    • 0.5 мс
    Длина волны
    • 660 нм
    Размер светового пятна
    • 8 мм
    Общие характеристики
    Тип конструкции
    гибридный
    Тип излучателя
    • красный
    Индикация состояния
    • да
    Исполнение
    с подавлением заднего фона
    Массо-габаритные и монтажные характеристики
    Электрическое подключение
    кабель
    Длина кабеля
    2 м
    Крепежная резьба
    • M18x1
    Размеры
    • 35x21x15 мм
    Масса
    52 г
    Условия эксплуатации
    Макс. потребление тока
    • 25 мА
    Рабочая температура
    • -15 ÷ 60 °C
    Класс защиты
    • IP67
    Защита от короткого замыкания
    • да
    Защита от перегрузки
    • да
    Защита от смены полярности
    • да
    Макс. выходной ток
    • 100 мА
    Рабочее напряжение
    12 ÷ 24 V DC
    Материалы
    Корпус
    АБС-пластик
    Линзы
    • акрил/PMMA
    Идентификационные данные
    Производитель
    Lanbao
    Артикул
    PSR-YC10DNBR
    Ед. изм.
    шт.
    Наличие в магазинах
    Магазин и адрес
    Режим работы
    Телефон
    Доступность
    Склад Алматы
    г. Алматы, ул. Казыбаева, 3/3, пом. 11
    Пн.-Пт. 10:00-17:00
    +7(776)990-55-56
    Под заказ: 30-40 дней
    Отзывы

    Отзывы не найдены

    История изменения цен

    Цена пока не менялась. Как только она изменится, мы покажем график

    Возможно, вас это заинтересует
     
    • Похожие товары
    • Недавно смотрели